糧食是人類賴以生存的基本物質,是關系國計民生的重要物質,目前我國地方各大糧庫的溫濕控制,主要采用干溫度表、毛發濕度計、雙金屬式測量計、濕度測試紙等測量器材進行人工檢測。ZigBee技術具有節點能耗低、成本低、應用簡單、組網能力強等優點。基于以上優點,本文提出了基于ZigBee 的無線傳感器網絡的糧倉環境檢測系統。
1 系統框架設計
本文采用ZigBee 技術的無線傳感器網絡,通過傳感器采集糧倉的溫濕度,并把數據傳輸到無線通信節點中。在系統中,每個糧倉安置幾個發送模塊作為路由器使用,通過路由器把數據無線發送到協調器中,協調器通過RS232 與上位機進行通訊,實現對糧倉環境溫濕度的監控。同時系統也對糧堆溫度的現場測量,不僅在現場顯示,供現場工作人員監控糧堆的溫度,而且通過無線節點發送到協調器,在上位機中顯示。圖1 為系統的結構示意圖。系統中存在一個節點作為協調器節點,完成網絡組建、路由功能。糧堆內節點只作為終端節點,之間互相不通信,因此采用半功能節點(RFD),完成糧堆溫度采集及發送。而糧倉節點采用全功能節點(FFD),之間可以互相通信并附帶路由器功能,完成網絡通信及溫濕度采集。

圖1 基于ZigBee 的糧倉溫濕度監控系統結構示意圖
2 溫濕度監控系統硬件設計
2. 1 糧倉節點
無線傳感器節點由數據采集、數據處理、無線通信和能量供應四個模塊組成,節點結構如圖2 所示。

圖2 傳感器節點結構圖
數據采集模塊負責溫濕度信息采集和數據轉換; 數據處理模塊由微控制器組成,負責控制整個傳感器節點的操作和數據存儲; 無線通信模塊由無線收發器組成,負責與其他傳感器節點進行通信,能量供應模塊為系統其他的三個部分提供能量。SHT11是瑞士Sensirion 公司推出的基于CMOSensTM 技術的新型溫濕度傳感器。而CC2430 芯片為Chipcon 公司生產的2. 4GHz 射頻系統級芯片,是一款真正符合IEEE802. 15. 4 標準的片上ZigBee 產品。通過SHT11 檢測得到溫濕度,并轉化為數字信號,傳輸至CC2430,由CC2430 負責對信號進行處理發送。節點電源部分使用兩節AA 電池,為了使系統工作時間持續長,節點通常在閑置時快速進入休眠模式,其外設模塊進入休眠狀態,或者電源管理部分不對這些外設模塊供電。
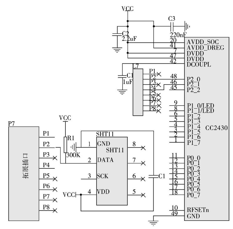
CC2430 通過I2C 接口定時讀出SHT11 的溫濕度數據,并將溫濕度通過無線網絡傳送。SHT11 采用串行與處理器進行數據通信,SCK 數據線負責處理器和SHT11 的通訊同步; DATA 三態門用于數據的讀取。為避免信號沖突,微處理器應驅動DATA 在低電平。需要一個外部的上拉電阻將信號提拉至高電平,設計過程中,將SHT11 溫濕度傳感器與一個拓展插口P7 接在一起,獨立做成一個小模塊,便于與無線模塊模板的連接,用CC2430 芯片發送采集數據到無線模塊模板上的CC2430 芯片。SHT11 溫濕度傳感器模塊的P7 對應CC2430 模板的L7 口,CC2430 模板既用來對SHT11 溫濕度模塊供電也用來對CC2430 芯片供電,無線模塊模板與SHT11 溫濕度傳感模塊的連接電路圖如圖3 所示。
2. 2 糧堆節點
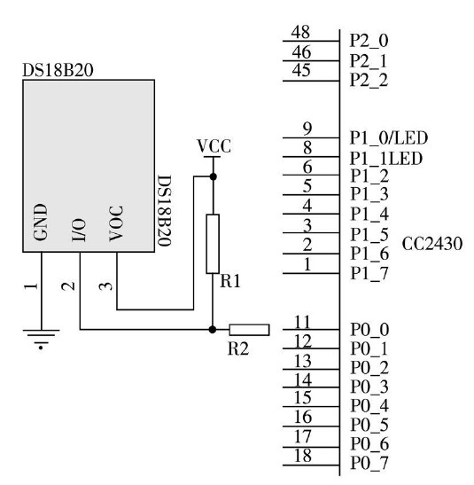
對于糧庫的監控,不僅要監控糧倉的溫濕度,而且也要監控糧堆的溫度。對溫度傳感器的選型,這里采用DS18B20.DS18B20 是一款全數字溫度轉換及輸出傳感器。從DS18B20 讀出信息或是寫入DS18B20信息僅需要1 根口線( 即單總線接口) .溫度變換、讀取等所需的能量由總線提供,無需外接電源。使用DS18B20 可以節省系統資源、使系統結構更趨簡單,可靠性更高,更節能,更適用于溫度緩變場所的長時間溫度監測。最高分辨率達到12 位,精度可達±0. 5℃。基于DS18B20 溫度傳感器節點設計如圖4 所示。

圖3 與溫濕度傳感模塊的連接電路圖。

圖4 與溫度傳感模塊的連接電路圖。
3 軟件設計
糧倉/糧堆溫濕度節點軟件的實現: 終端節點首先通過初始化系統參數,讀取數據。之后立即開始發送節點地址,等待路由器響應,而后發送數據長度,確認長度后路由器可以預留合適的空間存儲數據而后接收數據,接收校驗碼。至此,本次發送任務結束,進入睡眠狀態,節省電源。而路由器接收下一發送模塊的數據,并將剛接收的數據發送給協調器。
經過上面的步驟,糧倉溫濕度監控系統可以實時監控糧倉的溫濕度變化,為更便捷地實現數據觀測,糧倉溫濕度采集系統上位機監控界面采用圖形化的編程語言LabVIEW 軟件編寫,實現對終端監測節點上傳數據的采集與處理,并實時顯示各個節點的IEEE 號和溫濕度數據。糧倉溫濕度采集系統監控界面如圖5 所示。在進行PC 機和無線采集模塊串行通信前,首先配置好串口,即串口初始化,使計算機串口的各種參數設置與無線收發模塊的串口參數保持一致,以致能夠正確的通信。由圖5 可見,所設計的界面反映了各節點所采集的溫度和濕度,圖中,0x6CFCFC5385FC4797 和0xE972B47D46C97E 分別是兩個CC2430 節點的IEEE 地址,24.6℃和24.4℃表示兩個節點的溫濕度傳感器所采集到的溫度,66. 5%和67. 6%表示為兩個節點采集到的濕度。

圖5 糧倉溫濕度采集系統監控軟件界面
4 結論
本文提出基于ZigBee 技術的糧倉溫濕度監控系統設計,采用簇狀網絡組網,實現對糧倉環境溫、濕度的測量,采集并在LabVIEW 平臺上實現了節點數據的顯示。通過實驗證明這種解決方案有很強的實用性,系統運行穩定。在實際的推廣中,可根據實現目標的需要確定路由器和終端設備的數量,解決實際應用中有線網絡布線成本過高及不便到達、環境惡劣地區環境溫濕度監測的問題。<
免責聲明:本文僅代表作者個人觀點,與電源在線網無關。其原創性以及文中陳述文字和內容未經本站證實,對本文以及其中全部或者部分內容、文字的真實性、完整性、及時性本站不作任何保證或承諾,請讀者僅作參考,并請自行核實相關內容。
來源:互聯網