20世紀50年代,美國宇航局以小型化、重量輕為目標,為搭載火箭開發了開關電源。在半個多世紀的發展過程中,開關電源因具有體積小、重量輕、效率高、發熱量低、性能穩定等優點而逐漸取代由傳統技術設計制造的連續工作的線性電源,并廣泛用于電子、電氣設備中。20世紀80年代,計算機全面實現了開關電源化,率先完成了計算機的電源換代。20世紀90年代,開關電源在電子、電氣設備以及家電領域得到了廣泛的應用,開關電源技術進入快速發展期。
Cadence旗下的PSpice是一款電路仿真軟件,能夠對復雜的模數混合電路進行仿真,而且開關電源也不例外。
1 升壓變換器拓撲結構
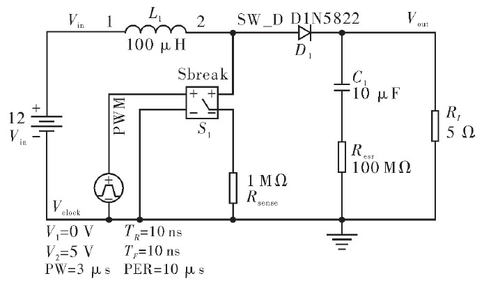
升壓變換器屬于間接能量傳輸變換器。供電過程包含能量的存儲和釋放兩方面。如圖1所示,Vclock是脈沖信號源,提供PWM電壓,用以功率開關S1的導通與截止。Rsense為電流取樣電阻,Resr為電容的等效串聯電阻。在開關S1導通期間,二極管D1截止,電感儲存能量,輸出電容單獨為負載提供電能。在開關S1斷開期間,二極管D1導通,儲存了能量的電感與輸入電源串聯,為輸出提供電能,其中一部分轉移到電容C1里。
1.1 工作于CCM條件下的升壓變換器波形
對圖1所示電路,借助PSpice進行仿真,獲得如圖2所示的波形圖。這是典型的電感電流連續導通模式(CCM)。

圖1 基礎升壓變壓器結構電路

圖2 工作于CCM條件下的Boost變換器波形
曲線①代表PWM波形,用于觸發功率開關導通或斷開。當開關S1導通時,公共點SW/D電壓幾乎降到0.相反,當開關S1斷開時,公共點SW/D電壓增加為輸出電壓和二極管的正向壓降之和,如曲線②所示。曲線③描述了電感兩端電壓的變化。高電平期間,電感左側電壓為Vin,右側幾乎為0,對應功率開關導通;而低電平期間,電感左側電壓仍為Vin,而右側突變為Vout,因為功率開關截止,同時二極管導通,此時對應電感電壓為負值,這就意味著輸出電壓大于輸入電壓。
電感電路在平衡時,電感兩端電壓平均值為0,即電感的電壓時間平衡。也就是圖中陰影部分面積S1=S2.假設D為PWM的占空比,TSW為開關周期。則

整理得到

可見,在理想情況下,D越接近1,輸出電壓將趨于無窮大。實際上,只要輸出一定的電流,就難以得到傳輸系數超過4~5的升壓變換器。
曲線④為電感電流波形。可以看到電感電壓雖然出現了跳變,但電感電流仍然是連續的。
曲線⑤是輸出電壓波形,也是電容電壓。可以看到恢復尖峰以及電壓紋波。若考慮輸出電容的ESR,則相對紋波為

曲線⑥是輸入電流,明顯它是連續的。
1.2 工作于臨界導通模式下的電感電流
當電感電流紋波降到0時,功率開關S1立即閉合,電感電流又向上增大。如圖3所示電感電流處于臨界點的電流變化。此時,電感電流平均值即對稱三角形的電流平均值為最大值的1/2.即

假設效率為100%,則有

聯立以上兩式,可得R和L的臨界值


圖3 電感電流處于臨界點的電流變化
2 PWM開關模式
1986年前后,脈寬調制(Pulse Width Modulation,PWM)開關模式被提出,先后出現了電壓模式和電流模式。電流模式是目前常用的控制方法之一。
2.1 電流模式及其不穩定性
電流模式檢測電感電流和開關電流,并在逐個脈沖的基礎上同誤差放大器的輸出進行比較,控制PWM脈寬,由于電感電流隨誤差信號的變化而變化,從而更容易設置控制環路,改善了線性調整率。
在CCM條件下,占空比超過50%時,電流模式存在固有不穩定性,也稱為次諧波振蕩。這種不穩定性與穩壓器的閉環特性無關,它是由固定頻率和峰值電流取樣同時工作所引起。圖4(a)顯示了這種現象,在t0時刻,開關開始導通,使電感電流以斜率m1上升,t1時刻,電流取樣輸入達到由控制電壓建立的門限。這導致開關斷開,電流以斜率m2衰減,直至下一個振蕩器周期。如果有一個擾動加到控制電壓上,產生一個小的△I,在一個固定的振蕩器周期內,電流衰減時間減少,最小電流在開關接通時刻t2,上升了△I+△I*m2/m1.最小電流在下一個周期t3減小至(△I+△I*m2/m1)m2/m1.如果m2>m1,這樣擾動經過幾個開關周期的逐漸積累后,就會出現占空比一大一小的現象,即發生了次諧波振蕩。圖4(b)顯示了通過在控制電壓上增加一個與脈寬調制時鐘同步的人為斜坡,該斜坡的斜率如果≤m2/2,才能使得電感電流跟隨控制電壓,達到真正的電流模式工作。

圖4 連續電流波形圖
2.2 高性能電流模式控制器UC2843簡介
UC2843是一種電流型脈寬調制電源芯片,價格低廉,廣泛應用于電子信息設備的電源電路設計,常用作反饋式開關電源的控制電路。UC 2843工作電壓為8.5~36 V,是專為離線和DC-DC變換器應用而設計,提供了只需少量外部元件就能獲得低成本高效益的解決方案。具有可微調的振蕩器、能進行精確的占空比控制、溫度補償的參考電壓、高增益的誤差放大器。電流取樣比較器和大電流圖騰柱式輸出,是驅動功率MOSFET的理想器件。其它的保護特性包括滯后式欠壓鎖定,低壓鎖定門限為8.5 V(通)和7.6 V(斷),還有逐周電流限制、可控輸出靜區時間等。
圖5所示為UC2843的內部框圖。

圖5 UC2843的內部框圖
3 升壓型開關穩壓電源設計
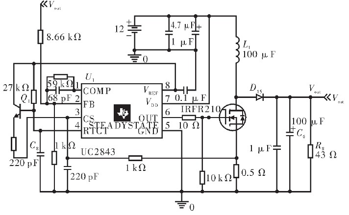
電源的技術指標為:輸人標稱12V,動態范圍9~18V,輸出24V,Io為1A,頻率為300kHz,輸出電壓精度為1%.設計電路如圖6所示。

圖6 12V-24V升壓變換器電路
3.1 元件參數選擇
(1)儲能電感。
在保證電感電流連續模式前提下,電感值應滿足

其中,Vs為為開關管導通時漏極電位。假定電路在額定輸出時,電感紋波電流為平均電流的30%,即

故,電感值可取

綜合考慮,電感可取50~150μH.
(2)其它元件參數選擇。
為得到300 kHz的工作頻率,選擇RT電阻為27 kΩ,CT為220 pF.UC2843內部腳2為誤差放大器的反向輸入端,正向輸入基準為2.5 V,可知輸出電壓為Vo=2.5(1+R1/R2),由此可確定輸出取樣電阻R1和R2值分別8.7 kΩ和1 kΩ。開關管,由于工作在大電流狀態,且頻率為300 kHz.應選擇Rds小的功率開關MOS管。輸出二極管應選擇快恢復二極管以保證開關的正常工作。輸出電容是一個重要的儲能元件,所以應選用100μF及以上的電解電容,其余元件參數如圖6所示。為防止次諧波振蕩,特加入了由Q1組成的斜坡補償電路。
3.2 電路模擬仿真
運行PSpice仿真,得到如圖7所示波形。在9 V輸入電壓下,輸出電壓23.899 V,電壓紋波11 mV,電感電流1.545 9 A,紋波271 mA,占空比75%.由于加入了斜坡補償,所以并沒有出現次諧波振蕩,即占空比時大時小的現象。電源效率為70%.電路元件參數的具體選擇,可參考仿真結果,查看每個元件的電流和耗散功率加以確定。

圖7 PSpice仿真波形
4 結束語
借助PSpice仿真軟件,設計了一款常用的12~24 V升壓型開關穩壓電源電路。整個電路調試容易,工作穩定、可靠性高、成本低。另外,可根據具體的電路指標要求,對電路進行靈活控制、變動,設計出其他的應用電路。<
免責聲明:本文僅代表作者個人觀點,與電源在線網無關。其原創性以及文中陳述文字和內容未經本站證實,對本文以及其中全部或者部分內容、文字的真實性、完整性、及時性本站不作任何保證或承諾,請讀者僅作參考,并請自行核實相關內容。
來源:c114