引言
目前,煤炭、石油等能源正走向枯竭,且環境污染問題也日益嚴重,新能源和可再生能源的利用已經成為世界各國的燃眉之急。作為一種無污染的可再生能源,太陽能越來越受到人們的青睞。太陽能光伏并網發電產業迅速發展對人們提出的可持續發展有重大的意義。本設計利用鎖相環倍頻、比較器過零觸發和MSP430F169單片機DA產生與輸入信號同頻同相且幅值可控的正弦波,作為DA-AC電路的輸入參考信號,其中DA-AC電路采用D類功放中自激反饋模型,利用負反饋的自激振蕩產生正弦波脈寬調制(SPWM)波,通過硬件之間的配合,實現了逆變電壓輸出及最大功率、同頻同相的跟蹤。
裝置方案的選用
DC-AC逆變方案:采用D類功放中自振蕩式模型的逆變拓撲,利用負反饋的高頻自激產生所需的PWM開關信號。此方案為閉環系統,在功率電源和負載變化時波形基本無失真,且硬件電路簡單。
鎖相鎖頻方案:利用鎖相環的鎖相鎖頻功能,將參考信號倍頻,產生與其同步的時鐘,以此時鐘調整輸入輸出的頻相關系。此方案完全由硬件電路實現,簡單方便。
最大功率點跟蹤方案:采用經典MPPT算法,對光伏陣列的輸出電壓電流連續采樣,尋找dP/dU為零的點,即為最大功率點。
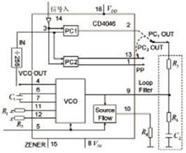
裝置的原理框圖如圖1所示。在設計中,選用CD4046鎖相環芯片和功率MOS管IRF540等性價比較高的器件,采用基于MSP430F169單片機的經典控制算法來控制光伏并網發電模擬裝置。

圖1 裝置原理框圖
理論分析及參數設置
頻率跟蹤電路的設計
利用鎖相環CD4046可以實現輸入信號的倍頻和同步,輸入頻率45Hz~55Hz,經256倍頻后為11.52kHz~14.08kHz信號,送給單片機作為系統同步的時鐘。單片機用DDS原理產生幅度可調的正弦信號。此時鐘作為D/A輸出的時鐘,即可追蹤輸入信號的相位和頻率。鎖相環的原理框圖如圖2所示。CD4046的內部電路與外圍電路圖如圖3所示。此正弦信號送給本設計中自閉環的DA-AC逆變器作為輸入,輸出電壓就可以與參考輸入UREF同頻同相。為保證快速鎖定,需要調整R1、R2、C1的值使鎖相環中心頻率穩定在50Hz。

圖2 鎖相環原理框圖

圖3 CD4046內部電路與外圍電路圖
MPPT最大功率點跟蹤的實現
本設計采用MSP430F169單片機作為主控芯片。它是TI公司出產的一種具有超低功耗的功能強大的16位單片機,具有FLASH存儲器。這款單片機的程序代碼空間為60KB+256B的FLASH,2KB的RAM,且具有強大的中斷功能,48個I/O引腳,每個I/O口分別對應輸入、輸出、功能選擇、中斷等多個寄存器,使得功能口和通用I/O口復用,在對同一個I/O口進行操作前要選擇其要實現的功能,這樣大大地增強了端口的功能和靈活性。該類單片機具有一個強大的16位RISC CPU(125ns指令周期),16位的寄存器以及常數發生器,能夠最大限度地提高代碼的效率。數字控制的振蕩器DCO允許在6微秒內從低功耗模式喚醒。而且,該芯片還配置了帶有3個捕獲/比較寄存器的16位定時器A和定時器B、12位快速A/D轉換器(帶有內部參考電平、采樣保持和自動掃描特性)、雙12位D/A轉換器,兩個通用同步/異步串行通訊接口USART、DMA。除此之外,該單片機還具有超低功耗的優點,運行在1MHz時鐘條件下時,工作電流視工作模式不同為0.1μA ~280μA。
MSP430F169的這些特點十分適合開發的要求,選用MSP430F169可以輕松地實現連續的電壓電流采集。單片機由此數據計數出實時功率后根據MPPT算法自動調整,當dP/dU>0時通過增加系統的輸入阻抗增加實際得到的輸入電壓U以提高功率,反之則降低U ,最終達到dP/dU>0的最大功率點跟蹤。
提高效率的方法
開關電源電路設計中的主要損耗包括:場效應管的導通電阻損耗和開關損耗;濾波電路中電感和電容的損耗;隔離變壓器的鋼損與鐵損。綜合考慮成本和性能,本電路選用了IRF540,其導通電阻僅為77mΩ,輸入結電容為1700pF。在帶載額定電流1A時,全橋的靜態功耗Pon=4×I2×Ron=0.308W。由于濾波電感和電容工作在高頻下,起儲能釋能作用,因此電感要盡量減小內阻,并保留1mm磁隙防止飽和,電容則要選取等效串聯電阻ESR較小的高頻低阻類型,以減小在電容上產生的功率損耗,本設計中所用的電感線圈為多股漆包線并繞,以減小高頻下導線集膚效應帶來的損耗,并使用鐵氧體材料的磁芯,以減小其磁滯損耗。電容則選用聚丙烯電容,它具有較好的高頻特性、穩定性和較小的損耗。為減小隔離變壓器T的損耗,導線的載流量選2.5A/mm2,選用冷軋鋼帶替代矽鋼片。
濾波參數的設置
濾波電感使用直徑36mm磁罐,加1mm磁隙,用0.4mm漆包線5股并繞20匝,實測電感為200μF左右;為減小通帶衰減,取截止頻率為5kHz,一百倍于基頻,得C=4.7μF。為進一步減小正弦波諧波分量,又用60μH鐵粉環電感與0.68μF電容進行了二次濾波,最終效果比較理想。
電路與程序設計
DC-AC電路
DC-AC逆變器由振蕩原理的D類功率放大器構成,利用負反饋的高頻自激,產生幅度較弱的高頻振蕩疊加在工頻信號上,經過比較器產生高頻SPWM開關信號通過浮柵驅動器驅動MOS管半橋。自振蕩逆變器框圖如圖4所示。DA-AC逆變器原理圖如圖5所示。

圖4 自振蕩逆變器框圖

圖5 DA-AC逆變器原理圖
由于負反饋在工頻上是穩定的,因此輸出的信號的放大倍數由R2與 R4的分壓比決定,而自振蕩(產生的SPWM)頻率可通過微調補償網絡中的電阻、電容值進行調整,實際中綜合考慮損耗和濾波電路的設計,選定頻率約為28kHz,保證輸出電壓在功率電源HVDC范圍內,比例放大系數選為12。這種逆變器自身閉環,整個電路只使用一個比較器,可以根據負載的變化自動調整SPWM的占空比,使輸入/輸出電壓始終成比例關系。
設計時,使用兩個上述的自振蕩逆變器構成平衡橋式DA-AC變換器,以LM393做逆變的比較器,配合自帶死區的IR21094浮柵驅動器驅動IRF540功率MOS管,獲得了較高的效率和極低的失真度。
過流保護及自恢復電路
電流I在采樣電阻上產生的電壓經過LM358放大10倍后與參考電壓比較,超過則輸出低電平, C7經過二極管迅速放電,使#SD信號被拉低,浮柵驅動器輸出被關閉,向單片機報警。同時I變小,運放1腳(如圖6)輸出高電平,+5V經過R17對C7充電,經過一段時間達到浮柵驅動器的高電平門限時,再次打開場效應管。這樣可以保證過流時迅速關斷輸出,關閉一段時間后自行試探,在故障消除后可自動恢復。

圖6 過流保護電路圖
欠壓報警指示,實時顯示當前入口處Ud電壓
欠壓時MPPT算法將自動使輸出為零,功率最小。單片機實時采樣Ud電壓后在液晶上顯示,小于25V時報警。
控制電路與控制程序
在功率電源入口處用470k與20k金屬膜電阻分壓到合適電壓后進行電壓采樣,電流則由40毫歐電阻高端采樣后經隔離差動放大器HCPL7800放大后再由儀表放大器AD620轉換成單端電壓,送給A/D采樣,其中HCPL7800和AD620帶有48倍的增益,將電壓放大到2V左右,保證采樣電流有足夠的精度。功率最大時有
,可得
,令
,
,則當
時認為達到最大功率點。
經典控制算法流程圖如圖7所示。

圖7 經典控制算法流程圖
測試方法與數據、結果分析
測試儀器選用:數字示波器TDS1002;4位半數字萬用表VC9807A+;20M數字信號源RIGOL DG1022;雙路可跟蹤直流穩定電源HY1711。測試框圖如圖8所示。

圖8 測試流程圖
測試方法:
①最大功率點跟蹤功能:在60V輸入電壓情況下,根據測試數據表1改變RS與 RL(30Ω~36Ω),記錄電壓表2與電壓表1的示數。
②頻率相位跟蹤功能:根據測試數據表2改變輸入信號UREF從45Hz~55Hz步進,從示波器觀察頻率跟蹤的速度和輸出電壓的頻率,以及兩者的相位差,記錄在測試數據表2中。
③效率:額定RS=RL =30Ω時,記錄電壓表1、電壓表2,電流表1、電流表2的示數,效率=UoIo/UiIi
④失真度:用示波器FFT觀察顯示波形,記錄基波和各次諧波的幅度。
測試數據:
① 數據記錄:各數據列于表1~表3中。
表1 最大功率點跟蹤

表2 頻率相位跟蹤

表3 DA-AC變換器效率

②計算效率:

③輸出過流保護和自恢復功能:將輸出短路,電路進入過流保護,指示燈亮,液晶屏顯示報警,除去短路后報警消失,電路恢復正常。
④輸入欠壓保護和自恢復功能:調節輸入電壓 ,當電壓表2顯示電壓低于25V時液晶屏顯示報警。再提高電源電壓,報警消失,電路重新正常工作。
結束語
為了較好地實現頻率相位跟蹤、DA-AC逆變、欠壓及過流自恢復保護等功能,本設計基于MSP430F169單片機,采用較少元件、較低成本的模擬方案,設計了模擬電路,實現了光伏并網發電模擬裝置的設計,具有較強的實用性。<
免責聲明:本文僅代表作者個人觀點,與電源在線網無關。其原創性以及文中陳述文字和內容未經本站證實,對本文以及其中全部或者部分內容、文字的真實性、完整性、及時性本站不作任何保證或承諾,請讀者僅作參考,并請自行核實相關內容。
來源:C114