基于ATMEL89S52單片機的三相橋式可控觸發電路的設計
摘要:本文提出了一種基于ATMEL89S52單片機的三相橋式可控觸發電路的設計方法,主要包括三相橋式可控整流電路、同步信號的檢測、脈沖的形成與放大以及軟件實現等內容。這種方法利用了電壓傳感器來檢測同步信號,取代了以往利用同步變壓器、鎖相環等方法實現同步信號的檢測的方法,所用的硬件電路較為簡單,精度較高。
1 引言
晶閘管作為一種半控性功率半導體器件,其基本功能是對電壓進行整流、調壓和斬波等進行控制,以滿足實際需求。目前,晶閘管整流器裝置已在工農業生產中得到了廣泛的應用,特別是在直流調速系統中。觸發電路是晶閘管電力變流技術的一種核心技術,觸發電路應具有可靠性高,對稱性好等要求。以分立元件及專用集成電路為主的觸發電路,其性能不盡如人意,其具有電路復雜、易受電網電壓影響、觸發脈沖對稱度不好等缺點。由單片機組成的控制,其觸發電路具有性能良好、觸發電路結構簡單、控制靈活、溫漂影響小、控制精度高、移相范圍可任意調節等特點; 因其移相觸發角通過軟件計算完成,由于軟件的可編程性,使微機數字觸發器的調速范圍更加靈活,能滿足更多方面的需要。另外,本設計的原本目的就是利用單片機非對稱觸發三相整流橋,以產生諧波,然后用整理橋作為有源電力濾波器( APF) 實驗樣機的非線性負載使用。
本文以三相橋式全控整流電路為例,主要介紹采用ATMEL89S52 單片機控制的三相橋式可控整流電路觸發電路的設計方法,包括三相橋式全控整流電路、同步信號的檢測、脈沖的形成與放大、鍵盤電路、顯示電路以及軟件實現等內容。
2 三相橋式全控整流電路
三相橋式全控整流電路如圖1 所示。電路圖中有兩組晶閘管,一組是共陰極( VT1、VT3 和VT5) ,一組是共陽極( VT4、VT6 和VT2) .在任何時候均需二個晶閘管同時導通,形成向負載供電的回路,其中一個晶閘管是共陰極的,另一個是共陽極的,并且不能為同一相的晶閘管。由于共陰極的晶閘管是在正半周觸發,共陽極組的晶閘管是在負半周觸發,因此,接在同一相的兩個晶閘管的觸發脈沖相位應該相差180°。6 個晶閘管的脈沖按VT1 - VT2 - VT3 - VT4 - VT5 - VT6 的順序依次導通,相位相差60°。為保證電路的正常工作,需確保同時導通的晶閘管均勻脈沖。可采用兩種方法:
一種是寬脈沖觸發,一般脈沖寬度位80° ~ 120°;另一種是雙窄脈沖觸發,即在觸發某一晶閘管的同時給前一號晶閘管補發一個脈沖,使共陰極組和共陽極組的兩個應導通的晶閘管均有觸發脈沖,脈沖寬度一般為20° ~ 30°,兩個脈沖的前沿相差60°。
采用前者效率較低,本文采用后者,脈沖寬度取為27°。

圖1 三相橋式全控整流電路
3 觸發電路的硬件電路設計
硬件電路以Atmel89s52 單片機為控制器,其結構框圖如圖2 所示。它包括同步信號檢測、AD轉換電路、脈沖的形成與放大、顯示模塊和鍵盤電路等。

圖2 觸發器的硬件結構框圖
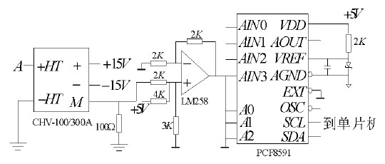
3. 1 同步信號的檢測
采用北京森社公司生產的CHV - 100 /300A 型號的電壓傳感器,其額定電壓為300V ( 有效值) ,額定輸出電流25mA.檢測電路中,電壓傳感器接入220V 的A 相交流電,輸出的電流信號經100 歐姆的電阻后,轉變為大小為0 ~ 2. 5V 的電壓信號( 實際輸出為- 2. 5V ~ 2. 5V) ,此電壓信號接入LM258 構成的加法器轉換成0 ~ 5V 的直流信號,此信號輸入到飛利浦半導體公司生產的8 位AD 轉換器PCF8591 的模擬信號輸入通道AIN3,PCF8591 的輸出信號AOUT 即可接入Atmal89s52單片機,利用I2C 總線進行數據傳輸,單片機經過軟件檢測,即可得知同步電壓Us 過零點信號。其硬件電路如圖3 所示。

圖3 同步信號的檢測電路
3. 2 觸發脈沖的形成與放大
脈沖的形成與放大電路如圖4 所示。來自單片機P1. 0 P1. 5 的六路較弱的脈沖信號輸入到反相器74HC04,經過光電隔離器4N25 隔離輸出,最后經過脈沖變壓器TB1 放大輸出到相應晶閘管的門極g 和陰極k.

圖4 觸發脈沖的形成與放大
如圖5 所示,六路觸發脈沖形成過程如下。當單片機檢測到A 同步電壓Ua 從負到正的過零點信號( 實際上檢測到的應該是2.5V) 時,它會接收到來自于INT1 的中斷請求信號,這時,單片機會中斷響應,服務子程序。這個子程序的功能是決定如何產生第一個觸發脈沖的上升沿。當單片機檢測到同步信號過零點時,單片機的16 位計數器/定時器1 同時開始計時,它工作在工作方式1; 由于Atmel89s52 單片機的晶振是12MHz,它的一個機器周期是1μm.定時的長度是由單片機的要產生的觸發延時角α 決定的。由于一個正弦波的周期是20ms,定時的長度由下式決定: tα = α × 20 /360°ms.定時器的初始化值可以根據tα來設定。為了簡單起見,本文定義了一個長度為180 的數組,它對應于觸發延時角α 從0 到180 度的變化。這個數組保存在單片機的ROM 存儲區。這樣,定時器對應于每個觸發角的初始化設定值就可以直接賦值給定時器1 了。定時器初始化之后,就啟動定時器工作。當定時時間就一到,定時器的溢出標志位置1,單片機開始執行定時器1 的中斷服務子程序。
這子函數將P1. 0 設置為高電平,用于觸發VT1;這里定義脈沖的寬度為27°,即1. 5ms,則定時器1 的TH1 = FAH,TL1 = 24H; 于是開始啟動定時器第二次計數; 當定時時間一到,定時器開始執行中斷服務子程序。在這個函數中,P1. 0 設置為低電平,表示觸發脈沖結束。由于第二個脈沖比一個脈沖滯后60°,也即是3. 33ms; 那么,第一個脈沖的下降沿到第二個脈沖的上升沿的時間間隔應為1. 83ms.因此,定時器應設置為TH1 = F8H,TL1= DAH; 這樣就啟動定時器第三次定時。當定時時間一到,定時器開始執行中斷服務子程序。在這個子函數中,P1.1 引腳被置為高電平來觸發VT2.對于其他晶閘管的觸發原理相同,這里不再詳述。

圖5 六路觸發脈沖的波形
雙窄脈沖的輸出如圖5 所示。P1. 0 引腳輸出一個主脈沖給VT1 的同時,P1. 5 引腳輸出一個次脈沖( 補發脈沖) 給VT6; 延時60°后,P1. 1 引腳輸出一個主脈沖給VT2,同時,P1. 0 引腳輸出一個次脈沖給VT1; 至于其它晶閘管的觸發,其過程亦是如此。
3. 3 顯示電路
顯示電路是為了更好的得知觸發延時角α 的變化。根據觸發角α 的大小,觸發電路需要四個七段LED 數碼管,這可以顯示到小數,這里數碼管是共陽極的,即當輸入為低電平時,數碼管點亮。數碼管采用動態顯示,相對于靜態顯示具有使用元件少、引腳少、電路簡單的優勢。其中,段選位接到單片機的P0 口,位選位有單片機的P2. 4~ P2. 7 控制。其電路圖如圖6 所示。

圖6 顯示電路
3. 4 鍵盤電路
鍵盤電路如圖7 所示。其功能是設置觸發角a的大小。它由四個開關和電阻,外加一個+ 5V 電源組成。開關K1、K2 、K3 和K4 分別接到單片機的P2. 0、P2. 1、P2. 2 和P2. 3.當K1 按下一次,觸發角α 增加1; K2 按下一次,α 減1; K3 用于選擇位數,按下第一次,小數位被選擇,并且相應的數碼管被點亮; 按下第二次時,個位數字被選擇,并且相應數碼管的被點亮; 按下第三次時,十位數被選擇,并且相應數碼管被點亮; 按下第四次時,百位數被選擇,并且相應的數碼管被點亮。當K4 按下時,輸入的數據被送到單片機的存儲區。

圖7 鍵盤電路
4 觸發電路的軟件設計
觸發電路的軟件設計是非常重要的一個部分。本設計最重要的特點之一就是充分利用了單片機的軟件編程能力。這里主要是用軟件檢測同步電壓的過零點,以控制脈沖信號的產生。軟件部分包括主函數、中斷子函數、顯示子函數和延時函數等。采用C 語言進行編程,它具有編程簡單,一致性高等特點。
程序流程圖如圖8 所示。首先,將單片機初始化,包括定時器1 的初始化,封鎖脈沖信號的輸出,以及外部中斷1 的初始化; 然后調用數碼管顯示子函數,以顯示移相觸發角α; 其次,單片機會監視是否有按鍵按下,如果有,則調用鍵盤操作子程序; 然后,單片機檢測同步信號,并據此確定是否產生脈沖并將脈沖放大,最后去觸發晶閘管。

圖8 程序流程圖
5 結論
本文給出了一種采用ATMEL89S52 單片機的三相橋式可控觸發電路的設計方法。與以往利用同步變壓器,鎖相環等方法實現同步信號的檢測不同,本文利用電壓傳感器來檢測同步信號,是一種新的嘗試。相對來說,這種方法硬件電路較為簡單,成本較低,精度也較高。<
免責聲明:本文僅代表作者個人觀點,與電源在線網無關。其原創性以及文中陳述文字和內容未經本站證實,對本文以及其中全部或者部分內容、文字的真實性、完整性、及時性本站不作任何保證或承諾,請讀者僅作參考,并請自行核實相關內容。
來源:C114