摘要:針對當前市面上DC/DC LED(發光二極管)專用恒流控制芯片價格高、不易購買的情況,闡述了基于市面常用DC/DC 穩壓器的高效率恒流穩壓電源的通用設計方法,并給出了基于LM2596-ADJ 開關穩壓器的設計實例。與傳統的恒壓電源相比,電路增加了阻值很小的采樣電阻以及由通用運算放大器組成的電壓反饋回路和電流采樣、放大反饋回路,同時增加了電壓、電流反饋回路自動切換電路,使電路能根據負載大小在恒壓和恒流模式之間自動切換。實驗數據表明,基于該方法設計的LED 恒流穩壓電源恒流精度高,誤差小于1%,效率超過87%,且電路工作穩定,元件取材廣泛,價格低廉。
當前全球能源緊缺日益加劇,制約著經濟的發展,節能成為人類面臨的重要課題。在照明領域,被稱為第4 代照明光源或綠色光源的LED 照明產品以節能、環保、壽命長、體積小、堅固耐用等特點吸引著世人的目光。
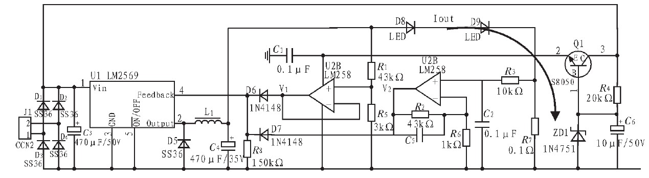
由于LED 的伏安特性呈現非線性且伏安特性具有負溫度系數的特點,以及生產工藝和生產水平的差異,不同生產廠家生產的同樣功率等級的大功率LED 伏安特性存在差異,即使是同一廠家生產的同一批次的LED,個體間的正向壓降也存在一定差異等原因,為了減少LED 的光衰,延長LED 的使用壽命,LED 的驅動電源采用低壓直流恒流電源。目前,安森美、TI 等世界知名半導體器件公司均推出了適合LED 驅動的DC/DC 專用恒流控制集成電路, 如NCP3066、TPS40211DG 等,該類集成電路具有較高的轉換效率,但該類集成電路價格相對較高,市面上不易購買。針對該問題,本文闡述了基于市面常用的DC/DC 開關穩壓器的恒流穩壓電源的通用設計方法,并給出相關設計實例以及相關測試數據。
1 基于DC/DC 穩壓器的恒流穩壓電源設計DC/DC 開關穩壓器自問世以來,廣泛應用于各種電子設備中,用作恒壓源,當負載電流在額定范圍內變化時,其輸出電壓保持不變。DC/DC 開關穩壓器的原理框圖如圖1 所示。

圖1 DC/DC 開關穩壓器原理框圖
DC/DC 開關穩壓器輸出電壓
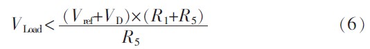
其中Vref為DC/DC 開關穩壓器內部自帶的基準電壓或者用戶外接的基準電壓,R1、R2構成輸出電壓采樣電路,用于設置輸出電壓的大小。當輸出電壓Vout因負載變化而變化時, 反饋電壓Vf也隨著變化,DC/DC 穩壓器內部的控制電路根據反饋電壓Vf(采樣電壓)與Vref差值的大小來適當調整功率變換電路的控制參數(如PWM 的占空比等),使輸出電壓穩定在一個固定的值,達到穩壓的目的。
- 1
- 2
- 3
- 4
- 5
- 總5頁
來源:C114
http:m.x5a5.com/news/28475.htm


由于Vref為定值,改變Rs即可改變輸出電流值。恒流原理用式(1)、(2)來說明。








