近年來,我國大力推動新能源汽車發展,新能源汽車銷量增長迅速。根據中汽協發布的數據,2015、2016年新能源汽車銷量分別為33.1萬輛和50.7萬輛,2016年同比增長53%。2017年1-10月,新能源汽車銷量為49萬輛,同比增長48%。
工信部、國家發改委、科技部聯合印發的《汽車產業中長期發展規劃》提出,2020年新能源汽車產銷量達到200萬輛目標,假設2017年銷量為70萬輛,2018-2020年復合增速將超過40%,行業成長性顯著。
汽車空調作為提高汽車乘坐舒適性的一種重要部件已被廣大汽車制造企業及消費者所認可,汽車空調汽裝置已成為汽車中具有舉足輕重的功能部件。
行業現狀
龐大的汽車產銷量對零部件產生了強大的市場需求。對汽車空調而言,無疑是一個發展的黃金時期。但是從我國汽車空調的發展來看,還遠不能滿足市場的需求方案設計。與國外企業相比,我國汽車空調行業起步較晚,20世紀80年代初仍是空白,汽車空調主要依賴CKD組裝。隨著汽車工業迅速發展,汽車空調市場需求日趨增長。由于當時大多數企業技術裝備不符合生產需求,不少企業陸續從國外引進技術和生產設備,也有很多地方開始招商引資,爭上汽車空調項目。從那時起,國內掀起了汽車空調熱,大規模重組由此出現。從20世紀90年代開始,國內汽車空調產業開始快速穩步發展。由于各企業引進的技術、設備來自不同國家,行業沒有統一技術標準可依,加上缺乏核心技術,我國汽車空調業承受著來自國外同行的威脅。
國際上,汽車空調壓縮機生產一直集中在日本和美國幾大公司中。日本電裝占鰲頭,技術水平位居前列,市場份額約占全世界的1/3。此外,杰克賽爾、三電、精工、松下、三菱重工等都是世界空調壓縮機行業龍頭企業。美國主要是德爾福、偉世通和克萊斯勒三家。如今,這些企業在中國基本上已建立合資或獨資公司,其中不少在我國擁有不止一家生產基地。比如,電裝已在煙臺、廣州、昆山等地建廠,現又與揚州杰信合資;德爾福在上海建合資公司,蘇州工廠也在建設中;杰克賽爾在湖南和東北建廠;偉世通在大連和北京,松下在廣州建廠。這些公司占據了中國車用空調壓縮機很大一部分市場。此外,煙臺電裝、大連漢拿等外資企業也有不小的產銷量。
汽車空調工作原理
汽車空調一般主要由壓縮機、電控離合器、冷凝器、蒸發器、膨脹閥、貯液干燥器、管道、冷凝風扇、真空電磁閥、怠速器和控制系統等組成。汽車空調分高壓管路和低壓管路。高壓側包括壓縮機輸出側、高壓管路、冷凝器、貯液干燥器和液體管路;低壓側包括蒸發器、積累器、回氣管路、壓縮機輸入側和壓縮機機油池。各部件之間采用銅管(或鋁管)和高壓橡膠管連接成一個密閉系統。制冷系統工作時,制冷劑以不同的狀態在這個密閉系統內循環流動,每個循環有四個基本過程:
1、壓縮過程:壓縮機吸入蒸發器出口處的低溫低壓的制冷劑氣體,把它壓縮成高溫高壓的氣體排出壓縮機。
2、散熱過程:高溫高壓的過熱制冷劑氣體進入冷凝器,由于壓力及溫度的降低,制冷劑氣體冷凝成液體,并排出大量的熱量。
3、節流過程:溫度和壓力較高的制冷劑液體通過膨脹裝置后體積變大,壓力和溫度急劇下降,以霧狀(細小液滴)排出膨脹裝置。
4、吸熱過程:霧狀制冷劑液體進入蒸發器,因此時制冷劑沸點遠低于蒸發器內溫度,故制冷劑液體蒸發成氣體。在蒸發過程中大量吸收周圍的熱量,而后低溫低壓的制冷劑蒸氣又進入壓縮機。上述過程周而復始的進行,達到降低蒸發器周圍空氣溫度的目的。

方案分析
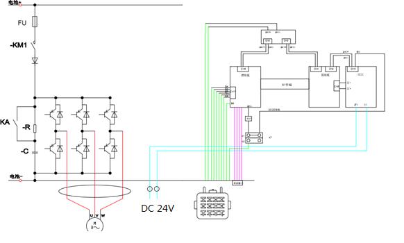
本方案采用的是水冷二合一變頻器(GD300-05-I),供電為車載電池提供540V直流電,變頻器輸出為AC380V和可調DC24V電,交流電為壓縮機提供動力,直流24V為散熱風機提供動力。

水冷二合一內部電氣圖

水冷二合一逆變主回路接線

水冷二合一用戶接口布局
方案特點:
Goodrive300-05系列逆變器有IP67高防護產品和IP20防護產品,滿足用戶多樣化的應用需求。其中,關于IP67高防護產品,PCBA全部密閉在箱體的型腔里;主回路輸入輸出端子采用防水接頭對外連接,控制端子采用防水航插對外連接;獨立風道設計,同時采用IP67高防護風扇,維護非常方便,只需將風扇高防護插頭拆除即可。
Goodrive300-05系列逆變器滿足汽車行業可靠性要求,具有超出同類產品的防跳閘性能和適應惡劣電源、溫度、濕度、粉塵和抗震能力,極大提高產品可靠性。同時,通過電磁兼容性整體設計,滿足汽車行業對應用場所的低噪音、低電磁干擾的環保要求。
應用情況

在電動客車空調內部,壓縮機通過變頻控制,節約電量,車內溫度調控準確。以前客戶的DC24V是單獨做的一個高壓變壓器盒,把DC540V變成DC24V供散熱風機電力。變壓器盒成本高,防護等級低,安全系數低,占用空間大,采用一體機后,防護等級提高,成本降低,節約空間,安全可靠。
結語
經過客戶實驗運行,設備運行狀態良好,且電控系統整體防護等級提高,占用空間縮小,更加安全可靠,為客戶有效降低成本。本次方案驗證,將使英威騰在新能源汽車空調領域解決方案更具多樣性。
http:m.x5a5.com/news/2018-1/2018122103051.html
