高靈敏、低功耗,Silicon Labs紅外接近感應系列產品介紹
——楊波 應用工程師
紅外接近感應是一種非接觸式手勢接近滾軸技術,能使電子裝置快速感測到使用者的接近,讓使用者無需實際觸摸,只要利用簡單的手勢便能操縱。在消費電子產品中,該技術也越來越為人們所接受,可以應用于許多設備,如手機,計算機和其他家用電子產品。但是目前市場上大多數的接近傳感器探測的距離較短,一般只能達到1~10cm,而紅外線LED主要是屬于長時間的多脈沖模式發射紅外線,導致功耗相當大,且造成了很大程度上的浪費。
高效能模擬與混合信號IC創新廠商Silicon Laboratories((芯科實驗室有限公司,簡稱Silicon Labs))特別推出的Si1102 和 Si1120是目前業界最靈敏的紅外接近傳感器,其在遠距探測和低功耗方面表現的尤為出色。
一、Silicon Labs公司的紅外接近傳感系列
Si1102和Si1120 紅外接近傳感器主要由一個紅外LED驅動器,紅外線光電二極管,一個環境光傳感器(僅Si1120具有)和控制邏輯IC組成,外部的發射LED可以根據用戶的需要靈活安裝和配置。如圖1所示。

圖1
工作原理:
Ø1、Si1102紅外接近傳感器
圖2 Si1102的內部框圖
Si1102是一個可獨立工作的紅外接近傳感器,能驅動單個紅外LED。LED發射的紅外線經過接近物體反射到達內置的紅外線光電二極管被接收,然后經過信號的放大并進行信號處理,最后通過與一個設定的探測門限值比較輸出一個相應邏輯電平,如果測量的結果高于這個門限值則從PRX口輸出一個低電平。利用這種電平信號的輸出可以用來作為其他工作的驅動或者是做MCU的中斷輸入,進而實現近距探測功能。
比如在顯示器應用上,Si1102紅外線接近傳感器能在使用者不在現場時輕易關閉顯示器及其他功能,已達到省電的功能。此省電功能特別適用于家電用品、安全設備及手持類電子產品,同時也可以應用在一些紅外探測器上。

圖3 Si1102的應用原理圖
Ø2、Si1120紅外接近傳感器
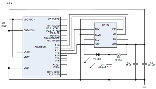
與Si1102不同的是,Si1120工作需要一個主MCU(微控制器)控制,另外增加了一個環境光傳感器,除了可以接收紅外線外還能對環境光信號進行采樣,最后輸出一個已調脈寬的脈沖信號,傳送給MCU(微控制器)處理后,實現不同的應用目的。Silicon Labs的MCU(微控制器)可以提供PCA(可編程計數器陣列)從而可以更簡單地測出輸出脈寬,脈寬與反射光強的測量值成正比例,與距離的平方成反比,由此可以判斷對方物體距離的遠近。Si1120可以支持多個LED的驅動,用戶可以根據需要方便的配置多個LED以增大探測范圍。另外,在MCU的控制下可以實現更多高檔次的功能,例如手機應用程序可能會允許用戶在手機前晃動一下手指來進行文件翻頁。

圖4 Si1120的內部框圖

圖5 Si1120的應用原理圖
二、Si1102 和 Si1120 紅外接近傳感器的優勢
在消費產品領域應用中,Si1102 和 Si1120 紅外接近傳感器具備了人們極為關注的兩大特點:
1.低功耗
不像競爭方案的紅外線LED必須長時間進行多次脈沖以達到精確的測量,Si1102/20紅外接近傳感系列使用專利的單一脈沖接近測量技術(如圖6所示),在電源效率上可達到4000倍的改善,電池壽命得以延長。
另外在當物體接近距離非常小或者在探測范圍外(不工作時)可自動進入低功耗模式,低功耗模式下的典型功耗只有0.1uA,而這正是便攜式應用的關鍵特性。
圖6 Silicon Labs與競爭對手LED工作方式的對比
2.高靈敏度
所有的 LED 都有一個特定的視角,一個窄視角LED 意味著發出的能量更加集中,比寬視角LED 照射的更遠。這意味著使用窄視角IR LED 將在窄檢測區域中形成更遠的檢測范圍,如圖7所示。
圖7 窄視角和寬視角IR LED 的差異
Si1102/20紅外接近傳感器能探測到的接近范圍可達50cm,如果選擇一個合適窄角的透鏡和一個紅外線濾波器配合使用,讓紅外線LED的發射半角足夠小而使發射光束充分匯聚或者發射功率足夠大時,接近范圍可擴大到1m。那么此應用不僅僅只局限于手機等手持電子產品,更可廣泛用于一些安全探測設備或大屏幕的儀器設備上。
下面是關于Silicon Labs 的紅外接近傳感器與競爭對手在一些性能上的對比:

三、Silicon Labs就Si1102和Si1120推出的兩款DEMO板
Si1120 紅外接近傳感器演示板,這款USB供電的開發板由一顆做主控的超低功耗的Silicon Labs C8051F930 MCU, 結合一顆Si1120傳感器,兩個紅外LEDS和8顆發光LED燈組成。當有接近的物體從左到右劃過或者從右到左劃過時,從8個LED燈上可以體現發光跟蹤和二維方向的動態檢測功能。同時此演示板還可在QuickSense Studio 開發環境下通過一個強大的性能分析工具實現對這種獨特的開發板進行實時的反射監控(如圖8)。

圖8
Si1102迷你型接近傳感器演示板,如圖9所示,該演示板帶有一個Si1102 紅外接近傳感器,可以提供一個簡單的紅外接近演示。通過設定Si1102的輸出閥值控制一個紅外二極管的發送,當感應到物體的靠近時,點亮發光二極管以測試設備的高靈敏度和檢測范圍。

圖9
Silicon Labs 推出的Si1120和Si1102等紅外接近感應系列產品可廣泛應用于各種消費類電子產品,例如,手機、復印件、掃描儀以及衛生產品等等。。。。。。,同時在也可廣泛應用于如觸空面板、機器保險裝置、安全系統、自動提款機等工業領域。■
免責聲明:本文僅代表作者個人觀點,與電源在線網無關。其原創性以及文中陳述文字和內容未經本站證實,對本文以及其中全部或者部分內容、文字的真實性、完整性、及時性本站不作任何保證或承諾,請讀者僅作參考,并請自行核實相關內容。