奧地利微電子發布業內首款 32V、500mA 降壓型調節器 AS7620,內置雙路電源監視器AS7620 高壓、降壓型調節器的靜態電流低至 30µA,局部負載下具有高效率,占空比高達100%,可在電源發生故障時最大程度延長設備運行時間。
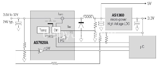
全球領先的通信、工業、醫療和汽車領域模擬集成電路設計者及制造商奧地利微電子公司今天發布一款滯回型、高效、32V 降壓型調節器 AS7620,擴展了其 DC-DC 轉換器系列.AS7620 采用小型、12 引腳、4x4mm MLPQ 封裝,對于延長公用儀表、傳感器接口及其它工業運動控制和電池供電數據采集設備的運行時間極為適合,并能給微控制器提供電源失效預警以及電源好信號,以保證其不會在電源失效或跌落時丟失關鍵數據。

AS7620 DC-DC 調節器針對 24V 工業應用進行了優化,可輸出高達 500mA 電流.該器件可提供 3.3V 固定輸出或 1.2V 至 VIN 可調輸出,輸入電壓范圍為 3.6V 至 32V,效率高達 93%.另外,其 100% 的占空比使得系統能在低壓差條件下繼續工作.其引腳可選的峰值電流限制功能優化了電感器的選擇,減小了元件尺寸.AS7620采用滯回型架構,最小負載和局部負載工作狀態下極為省電,提供 500µA 輸出電流時僅消耗 37µA 電流,輸出 10mA 電流時功耗約為 100µA,允許采用更小的保持電容或延長手持式分析儀的電池使用壽命.
奧地利微電子工業與醫療事業部的市場總監 Matjaz Novak 表示:“奧地利微電子的 AS7620 是高壓降壓型轉換器系列的第一款產品,可以滿足工業 24V 應用的特殊需求,也是業內首款 32V 降壓型轉換器.該產品以一個緊湊的高熱效封裝同時提供掉電預警及電源就緒信號,從而省去了外部比較器并減小了電路板空間.當輸入電源跌落時,AS7620 憑借其低工作電流及支持低壓差模式的寬供電電壓范圍,可使微控制器繼續工作,直到輸入電壓降到電源就緒門限電壓的 90% 以下.”
AS7620 DC-DC 轉換器可使用多種小尺寸電感和陶瓷電容,而不需要任何補償.軟啟動、電流限制和熱關斷功能保證了轉換器的安全性.關斷時電流消耗降至僅有 1µA.
AS7620 DC-DC 轉換器采用 4x4mm、12 引腳、MLPQ 封裝,規范工作在 -40°C至 +85°C 工業級環境溫度.欲了解產品詳情以及通過奧地利微電子網上直銷店 IC direct 索取免費樣品,請登陸:www.austriamicrosystems.com/03products/AS7620/AS7620.htm
編輯:coco
來源:電源網
http:m.x5a5.com/news/2008-5/200851711565.html
