近年來,液晶電視(LCD TV)和等離子電視(PDP TV)市場迅速增長。這些市場及其它一些市場需要具有如下功能特色的開關電源(SMPS):150 W至600 W的輸出功率范圍;采用有源或無源PFC(由所需功率決定);寬度和空間有限,無散熱風扇,通風條件有限;面向競爭激烈的消費電子市場。
這就要求開關電源具有較高的功率密度和平滑的電磁干擾(EMI)信號,而且解決方案元器件數量少、性價比高。雖然開關電源可以采用的拓撲結構眾多,但雙電感加單電容(LLC)串聯諧振轉換器在滿足這些應用要求方面擁有獨特的優勢。
這種拓撲結構比較適合中大尺寸液晶電視輸出負載范圍下工作。通常反激式拓撲結構最適用于功率不超過70 W、面板尺寸不超過21英寸的應用,雙反激拓撲結構則適合功率介于120 W至180 W之間、26至32英寸的應用,而半橋LLC則在120 W至300 W乃至更高功率范圍下都適用,適合于從中等(26至32英寸)、較大(37英寸)和大尺寸(大于40英寸)等更寬范圍的應用。
此外,在LLC串聯諧振轉換器拓撲結構中,元器件數量有限,諧振儲能(tank)元件能夠集成到單個變壓器中,因此只需要1個磁性元件。在所有正常負載條件下,初級開關都可以工作在零電壓開關(ZVS)條件。而次級二極管可以采用零電流開關(ZCS)工作,沒有反向恢復損耗。總的來看,半橋LLC串聯諧振轉換器是適用于中、高輸出電壓轉換器的高性價比、高能效和EMI性能優異的解決方案。
半橋LLC轉換器中諧振電容和諧振電感的配置
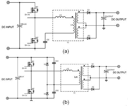
LLC半橋轉換器的構造存在著單諧振電容(CS)和分體(split)諧振電容(CS1和CS2)等不同方案。如圖1所示。對于單諧振電容配置而言,它的輸入電流紋波和均方根(RMS)值較高,而且流經諧振電容的均方根電流較大。這種方案需要耐高壓(600 至1,500 V)的諧振電容。不過,這種方案也存在尺寸小、布線簡單等優點。

圖1:半橋LLC轉換器的兩種不同配置:(a)單諧振電容;(b)分體諧振電容
與單個諧振電容配置相比,分體諧振電容配置的輸入電流紋波和均方根值較小,諧振電容僅處理一半的均方根電流,且所用電容的電容量僅為單諧振電容的一半。當利用鉗位二極管(D3和D4)進行簡單、廉價的過載保護時,這種方案中,諧振電容可以采用450 V較低額定電壓工作。
顧名思義,半橋LLC轉換器中包含2個電感(勵磁電感Lm和串聯的諧振電感Ls)。根據諧振電感位置的不同,諧振回路(resonant tank)也包括兩種不同的配置,一種為分立解決方案,另一種為集成解決方案。這兩種解決方案各有其優缺點,采用這兩種方案的LLC的工作方式也有輕微差別。
對于分立解決方案而言,諧振電感置于變壓器外面。這使得設計靈活性也就更高,令設計人員可以靈活設置的Ls和Lm的值;此外,EMI幅射也更低。不過,這種解決方案的缺點在于變壓器初級和次級繞組之間的絕緣變得復雜和繞組的冷卻條件變差,并需要組裝更多元件。

圖2:諧振儲能元件的兩種不同配置:(a)分立解決方案;(b)集成解決方案
在另一種集成的解決方案中,變壓器的漏電感被用作諧振電感(LLK=LS)。這種解決方案只需1個磁性元件,成本更低,而且會使得開關電源的尺寸更小。此外,變壓器繞組的冷卻條件更好,且初級和次級繞組之間可以方便地實現絕緣。不過,這種解決方案的靈活性相對較差(可用的LS電感范圍有限),且其EMI幅射更強,而初級和次級繞組之間存在較強的鄰近效應。
半橋LLC轉換器的工作狀態
根據負載條件的不同,LLC轉換器的頻率會出現變化。對于分立諧振回路解決方案而言,可以定義兩個諧振頻率,分別是串聯諧振頻率Fs和最小諧振頻率Fmin。其中,

LLC轉換器的工作頻率取決于功率需求。功率需求較低時,工作頻率相當高,超出諧振點。相反,功率需求較高時,控制環路會降低開關頻率,使其中一個諧振頻率提供負載所需大小的電流?偟膩砜,LLC轉換器工作在5種不同的工作狀態,分別是:a) 在Fs和Fmin之間;b)直接諧振在Fs;c)高于Fs;d)在Fs和Fmin 之間-過載;e)低于Fmin。
與分立儲能電路解決方案相比,集成儲能電路解決方案的行為特性不同,如漏電感LLK來自于變壓器耦合,且LLK僅在變壓器初級和次級之間存在能量轉換時參與諧振;此外,一旦次級二級管在零電流開關(ZCS)條件下關閉, LLK就沒有能量。對于半橋LLC而言,次級二極管始終處于關閉狀態。諧振電感Ls和勵磁電感Lm不會象分立諧振回路解決方案那樣一起參與諧振。
集成儲能電路解決方案也能夠定義兩種諧振頻率:Fs和Fmin。其中,

這種解決方案同樣存在5種工作狀態,分別是:a) 在Fs和Fmin之間;b)直接在諧振Fs;c)高于Fs;d)在Fs和Fmin 之間-過載;e)低于Fmin。
半橋LLC轉換器建模和增益特性
LLC轉換器可以通過一階基波近似來描述。但只是近似,精度有限。而在Fs頻率附近精度達到最高。

圖3:LLC轉換器的近似等效電路。
等效電路的傳遞函數為:
這其中,Z1和Z2與頻率有關,由此可知LLC轉換器的行為特性類似于與頻率有關的分頻器,負載越高,勵磁電感Lm所受到的由交流電阻Rac產生的鉗位作用就越大。這樣一來,LLC儲能電路的諧振頻率就在Fs和Fmin之間變化。在使用基波近似時,實際的負載電阻必須修改,因為實際的諧振回路是由方波電壓驅動的。
相應地,轉換器的品質因數為:
,特性阻抗為:
增益為:
,Lm/Ls比為:
串聯諧振頻率Fs和最小諧振頻率Fmin分別為:

圖4:標準化增益特性(區域1和區域2為ZVS工作區域,區域3為ZCS工作區域)
LLC轉換器所需要的工作區域是增益曲線的右側區域(其中的負斜率意味著初級MOSFET工作在零電壓開關ZVS模式下)。當LLC轉換器工作在fs=1(對于分立諧振回路解決方案而言)的狀態下時,它的增益由變壓器的匝數比來給定。從效率和EMI的角度來講,這個工作點最具吸引力,因為正弦初級電流、MOSFET和次級二極管都得到優化利用。該工作點只能在特定的工作電壓和負載條件下達到(通常是在滿載和額定Vbulk電壓時)。
增益特性曲線的波形及所需的工作頻率范圍由如下參數來確定:Lm/Ls比(即k)、諧振回路的特征阻抗、負載值和變壓器的匝數比?梢允褂肞Spice、Icap4等任意仿真軟件來進行基波近似和AC仿真。

圖5:分立(a)和集成(b)諧振回路解決方案的仿真原理圖。
對于LLC諧振轉換器而言,滿載時品質因數Q和Lm/Ls比k這兩個因數的恰當選擇是其設計的關鍵。這方面的選擇將影響到如下轉換器特性:輸出電壓穩壓所需的工作頻率范圍;線路和負載穩壓范圍;諧振回路中循環能量的大;轉換器的效率;要優化滿載時的Q和k因數,效率、線路和負載穩壓范圍通常是最重要的依據。品質因數Q直接取決于負載,它是由滿載條件下的諧振電感Ls和諧振電容CS確定的。Q因數越高,就導致工作頻率范圍Fop越大。Q值較高及給定負載時,特征阻抗就必須較低,因為低Q會導致穩壓能力下降,且Q值很低的情況下LLC增益特性會退化到SRC。
而在k=Lm/Ls方面,它決定了勵磁電感中存儲多少能量。k值越高,轉換器的勵磁電流和增益也就越低;且k因數越大,所需的穩壓頻率范圍也就越大。
在實踐中,Ls(如集成變壓器解決方案的漏電感)只能在有限的范圍內取值,而且是由變壓器的構造(針對所需的功率等級)和匝數比決定。然后,Q因數的計算由所需的額定工作頻率fs確定。這之后,k因數也必須計算出來,以確保輸出電壓穩壓(帶有線路和負載變化)所需的增益。而在設定k因數時,可以讓轉換器在輕載時無法維持穩壓——可以方便地使用跳周期模式來降低空載功耗。
對于半橋LLC諧振轉換器的設計而言,還涉及到其它的一些重要因素,如初級電流和諧振電容的參數確定、次級整流設計和輸出電容參數的確定、諧振電感的平衡性、變壓器繞組參數的確定和變壓器的制作等。這些進一步的設計信息可以聯系安森美半導體獲得。
安森美半導體的半橋LLC諧振轉換器解決方案NCP1395/NCP1396
作為全球領先的高能效電源半導體解決方案供應商,安森美半導體提供的半橋LLC諧振轉換器解決方案包括NCP1395和NCP1396控制器。NCP1396是一款更新的器件,內置驅動器。它們均為為構建可靠及穩固的諧振模式開關電源提供了所有必需功能,具有極低的待機能耗。它們的關鍵特性包括:50 kHz至1.0 MHz的寬廣頻率范圍(NCP1395)、可調節的死區時間(dead time)、可調節的軟啟動、可調節的最小和最大頻率漂移、低啟動電流、欠壓檢測、可調節的故障定時器間隔和跳周期可能性等。
NCP1396的獨特架構包括一個500 kHz的壓控振蕩器,由于在諧振電路結構中避開諧振尖峰相當重要,因此為了將轉換器安排在正確的工作區域, NCP1396內置了可調節且精確的最低開關頻率,通過專有高電壓技術支持,這款控制器應用在能夠接受高達600 V本體電壓半橋式應用的自舉 MOSFET驅動電路上。此外,可調整的死區時間可以幫助解決上方與下方晶體管相互傳導的問題,同時確保一次端開關在所有負載情 況下的零電壓轉換(ZVS),并輕松實現跳周期模式來改善待機能耗以及空載時的工作效率。
NCP1396/5具備多重保護功能,提供更好的電路保護,帶來更安全的轉換器設計而不增加電路的復雜度,NCP1396/5的各種強化保護功能包括有反饋環路失效偵測、快速與低速事件輸入,以及可以避免在低輸入電壓下工作的電源電壓過低偵測等。
面向各種多樣化的電源應用設計,NCP1396提供有兩種型號選擇:A和B。兩種型號的不同表現在:
1)啟動閥值不同,NCP1396A和NCP1396B分別是VCC=13.3 V和VCC=10.5 V(相應地NCP1395A和NCP1395B分別為VCC=12.8 V和VCC=10 V);
2)在釋出快速故障輸入時NCP1396A/NCP1395A不會激活軟啟動功能,而NCP1396B/NCP1395B則會在快速故障輸入釋出時通過軟啟動序列恢復工作。
從設計上來看,NCP1396A/NCP1395A推薦用于大功率消費類應用設計,在這些設計中設計人員能夠使用外部啟動電阻,而NCP1396B/NCP1395B更適合于工業/醫療應用,這些應用中的12 V輔助電源能夠直接為芯片供電。

圖6:采用NCP1396A的安森美半導體GreenPointTM 220瓦液晶電視電源參考設計。
總結
輸出功率在150 W至600 W之間的液晶電視和等離子電視等應用要求開關電源具有較高的功率密度和平滑的電磁干擾(EMI)信號,而且解決方案元器件數量少、性價比高。雖然開關電源可以采用的拓撲結構眾多,但雙電感加單電容(LLC)串聯諧振轉換器在滿足這些應用要求方面擁有獨特的優勢。本文主要分析了半橋LLC諧振轉換器的一些重要的設計考慮,如諧振電容和諧振電感的配置、工作狀態、建模和增益特性等。此外,還包括其它一些考慮因素,如初級電流和諧振電容的參數確定、次級整流設計和輸出電容參數的確定、諧振電感的平衡性、變壓器繞組參數的確定和變壓器的制作等。本文最后還簡要介紹了安森美半導體的兩款高能效半橋LLC諧振轉換器解決方案NCP1395和NCP1396的主要特性及其應用設計側重點,方便客戶的應用設計,加快產品上市進程。
編輯:coco
來源:安森美半導體
http:m.x5a5.com/news/2008-4/200841515855.html
