更低的輸出電壓、更高的電流密度、越來越高的開關頻率,以及更小的板上空間,這些都是臺式PC機、服務器、電信負載點(POL)及其他DC/DC轉換器系統應用中的發展趨勢。同時,設計人員也一直努力提高系統效率、降低總體解決方案成本,并簡化設計。為此,人們已經嘗試和測試了多種采用分立式元件的設計方案。本文總結了這類方案的發展歷程,并介紹了多芯片模塊方案將如何應對這些設計挑戰。
分立式方案
在計算機領域,尤其是在臺式PC機和服務器方面,典型的VR11.x設計可能采用基于分立式元件的4相DC/DC解決方案。這種系統通常每相使用3個DPAK封裝的功率器件,1個作為高壓側開關,2個作低壓側開關。
隨著MOSFET技術的發展和硅工藝的進步,設計人員可以不斷優化由分立式元件組成的升壓轉換器。對高壓側FET器件,主要的優化是如何實現更快的開關性能、更低的柵極電荷和更小的柵極阻抗值。目前,通過采用更高單位密度的硅技術,低壓側FET已實現很低的漏源阻抗。這些改進帶來的是成本逐步下調,而這也是計算機制造商的迫切要求。但分立方案也有一些局限性:
1 系統效率的提高受到限制,原因在于電路板上連接各分立式元件的路徑中以及封裝(如DPAK和SO8)中存在引線寄生電感。這種限制在頻率較高時更為明顯。
2 占用相當大的PCB空間。在臺式機和服務器中,主板的供電電路最大可占板面積的30%。
3 設計時間更長,產品推出延遲無可避免地使到成本增加。
4 元件選擇和驗證時間更長。
基于上述種種原因,在設計闡釋和方法中產生了微小但顯著的變化,推動著計算機產業向集成式解決方案發展。
多芯片模塊方案
多芯片模塊(MCM)是將開關器件、控制器、驅動器IC乃至無源器件的任意組合集成在單一封裝中,構成一個傳動系統、電源子系統或一個獨立的電源系統。目前市場上已在提供和使用某些MCM,包括控制器+驅動器+FET組合,以及FET+肖特基二極管組合封裝解決方案。
最近,驅動器+FET的MCM日益流行,尤其在計算機領域,這種MCM概念已經存在好些年了。過去,不同半導體公司曾分別做出一些局部性努力,提供這種類型的產品。不過,鑒于對性能、價格和供貨來源等多方面的綜合考慮,市場對之缺乏熱情。加上性能普遍平庸和產品價格高昂,這些因素都阻礙了它進入主流臺式PC機市場,因為價格一直是獲市場采納的決定性因素。
英特爾公司曾嘗試將一些倡議標準化,以加速市場采納,當中便定義了名為DrMOS的產品標準。這一規范為標準化的驅動器+FET型 MCM定義了工作條件、參數以及尺寸。它的成果是使產品滿足現在為CPU供電的DC/DC轉換器的嚴苛要求。從Revision 1.0在2004年11月發布以來,DrMOS規范已經存在好幾年了。
基于英特爾DrMOS規范的驅動器+FET MCM主要有以下優點。
1 提高系統效率
有幾個因素有益于提高DC/DC轉換系統的效率。在驅動器+FET型MCM中,比如飛兆半導體發表的FDMF8700,內部元件在散熱、電氣和機械方面都相互匹配,可針對特定應用實現最佳解決方案。這種單芯片中的多元件集成消除了版圖路徑產生的寄生電感并減小了開關損耗 (尤其是在較高工作頻率下)。
封裝是另一個因素。標準化的8mm×8mm模塑無腳封裝(MLP)可消除DPAK和SO8等封裝的系統寄生電感,因而也減小了高頻下的開關損耗(見圖1)。

圖1 符合英特爾提議的DrMOS標準的8mm X 8mm MLP封裝
2 比較分立式方案可節省更多空間
利用1個空間緊湊的8mm×8mm MLP取代3個DPAK器件(1個高壓側和2個低壓側FET)和1個SO8封裝驅動器IC,可節省多達50%的印制電路板空間(見圖2)。這種集成式方案還能夠實現更高的工作頻率;由于設計人員可以從印刷電路板上去掉那些無源元件(如電容和電感),因此可以進一步節省電路板空間。

圖2 新的驅動器+FET型MCM實現的4相VR11演示板
3 設計更簡易快捷
設計人員面臨的挑戰之一是驅動器與MOSFET的正確匹配,從而在給定的成本范圍內實現最大可能的性能。如圖3所示,對于個給定的MOSFET組合,選擇不同的驅動器IC時效率曲線的形狀完全不同。這個問題會轉化成工程設計時間,最終使電腦制造商節省更多成本。

圖3 VR11 DC/DC轉換器系統的效率比較
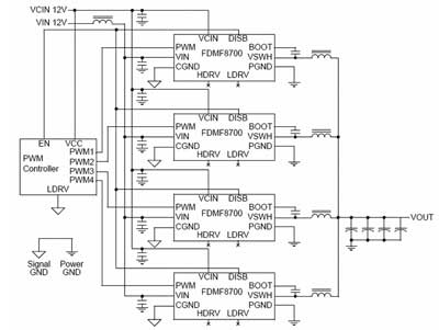
此外,電路板版圖也得到大大簡化,因為消除了驅動器IC與FET中的所有連接路徑,并將二者更高效地集成到一個單芯片中(見圖4)。

圖4 基于最新發布的驅動器+FET MCM的4相降壓轉換器電路
4 縮短元件選擇與驗證時間
假設按照OEM標準,每種器件至少要由兩家供應商提供,對于有1個高壓側FET和2個低壓側FET的典型升壓轉換器而言,電腦制造商總共需要驗證6個部件編號。這不僅包括元件工程師驗證6個部件編號的工作量,而且還包括采購人員確認這6個部件編號不存在連續供應問題所花費的時間。
5 降低總體擁有成本 (TCO)
日益流行的驅動器+FET型MCM在性能及總體上擁有成本(TCO)方面的很多優勢。TCO包括使用一個特定方案(分立或MCM式)來完成某個應用的設計與制造的所有相關成本,這些成本包含但不限于下列內容:
● 總體材料清單(BOM)成本,包括元件成本、PCB成本等。
● 與工程設計時間相關的成本。
● 多個部件編號驗證過程產生的成本。
● 由于裝配過程中生產能力的影響,以及取放和測試多個器件所需設備時間帶來的成本。
● 由于設計和驗證延遲導致錯過原定推出日期而產生的時機成本。
電腦制造商更快地意識到并判斷出,從分立式方法到驅動器+FET型MCM解決方案,可節省相應的TCO,并從而獲得市場競爭優勢。
展望未來
要讓基于DrMOS標準的驅動器+FET型MCM在臺式電腦和服務器等主流應用中獲得全面的運用,業界應該如何發展?
除了英特爾DrMOS規范這樣的公共標準之外,加快市場采納的關鍵在于提供更豐富的產品,并必需推出具有不同性價比組合的多種驅動器+FET MCM產品。這一理念可讓設計人員實現適當的性價平衡;把頂級性能的驅動器+FET 型MCM 用于服務器處理器核心的 120A、四相DC/DC轉換器,將可獲得更高的性能,但對一個臺式PC的1.5V DDR降壓轉換器來說就過于昂貴。而產品供應的多樣化正是市場廣泛采納該產品的關鍵所在。
飛兆半導體正在開發多種集成式DrMOS模塊產品系列,其中每一款產品都針對特定應用具有不同的性價比組合。這個理念可讓設計人員實現正確的性價平衡。隨著DrMOS模塊產品組合已在2007年推出,計算機應用正在改變功率轉換管理方式,這標志著驅動器+FET多芯片模塊終于迎來了“真正的”曙光。
編輯:coco
來源:電子設計技術
http:m.x5a5.com/news/2007-11/20071128143317.html
