1 引言
目前,在各種光伏電站中,普遍采用太陽電池來收集太陽能并將它儲存于蓄電池中以便在需要時再逆變成220V/50Hz交流電供給用戶使用。然而,在利用太陽電池對蓄電池充電的過程中,由于太陽電池輸出特性的非線性,太陽電池工作點并不是時刻處于最大功率點附近,從而造成太陽電池能量的浪費。本課題所研制的新型太陽能充電器根據太陽電池的工作特性——輸出最大功率點處的電壓值在不同日照下基本不變,采用恒壓跟蹤(CVT)方式實現了對太陽電池的最大功率跟蹤,有效地提高了太陽電池的工作效率,同時也改善了整個系統的工作性能。
2 系統主電路
系統的主電路如圖1所示

由圖1可知,主電路拓撲結構為Buck型變換器,利用脈沖寬度控制芯片TL494的輸出脈沖來控制主電路功率器件(IGBT)的占空比,以改變對蓄電池的充電電流,由此實現太陽電池的恒壓跟蹤,使太陽電池的輸出功率接近最大功率。同時,通過主電路來完成對蓄電池電壓、充電電流和太陽電池電壓的采集,以便控制電路實現各種跟蹤和保護功能。
3 太陽電池的工作特性
圖2為太陽電池的工作特性曲線圖。由圖可知,太陽電池的工作特性為一組非線性曲線,A、B、C、D、E點為不同日照下的最大輸出功率點,并且對應輸出最大功率點處的電壓值在不同日照下基本不變,根據這一特點,采用恒壓跟蹤方式,利用簡單的硬件電路基本上就可以實現太陽電池的輸出功率為最大;同時,由圖2又可知,當蓄電池過充時只要使太陽電池工作于開路狀態就可以實現過充保護。

4 系統的控制原理
4.1 系統控制框圖
本系統采用了經典控制理論中的雙閉環控制方式,其中電流環為內環,電壓環為外環,電壓環的輸出為電流環的給定;并且電壓環又包含了由蓄電池電壓構成的電路和太陽電池電壓構成的電路,兩個電路分別在電路工作的各個階段起著相應的調節作用。
4.2 系統的工作過程分析
在充電階段,蓄電池電壓構成的電路不起作用,電壓環僅由太陽電池電壓構成的電路組成,此時,電壓環的輸出為電流環的給定,通過檢測主電路中蓄電池的的充電電流和給定電流相比較來改變TL494的輸出脈沖寬度,使太陽電池電壓緊緊跟蹤給定電壓,具體表現為:當太陽電池電壓大于給定電壓時,偏差信號經過PI調節后改變給定電流使加到TL494的電流輸入端信號變大,TL494輸出脈沖寬度增加,經驅動電路放大整形以驅動功率器件,使其導通占空比增加,蓄電池充電電流變大,由圖2可知,太陽電池電壓下降,電路達到穩態時,太陽電池電壓等于給定電壓,電流環的給定亦為穩定值,蓄電池的的充電電流等于給定電流;反之,當太陽電池電壓小于給定電壓時,TL494輸出脈沖寬度減小,經驅動電路放大整形以驅動功率器件,使其導通占空比減小,蓄電池充電電流變小,太陽電池工作電壓增加,電路達到穩態時太陽電池電壓等于給定電壓。
在過充電階段,兩個電路均起作用,電壓環由太陽電池電壓構成的電路和蓄電池電壓構成的電路組成,此時,蓄電池電壓和給定太陽電池工作電壓之和大于太陽電池實際工作電壓,偏差信號經過PI調節后加到TL494的電流輸入端,使TL494輸出脈沖寬度減小,蓄電池充電電流變小,由圖2可知,太陽電池實際工作電壓漸漸增大,直到穩態時,太陽電池工作于開路狀態,蓄電池充電電流為零,從而實現了過充保護。
5 脈沖寬度調制芯片TL494及其應用
5.1 脈沖寬度調制芯片TL494的結構
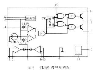
TL494是美國德州儀器公司的產品,其價格便宜,容易購得,并且在其內部同時解決了電流調節器、脈寬調制和最大電流限制,芯片內還設置了一些附加監控保護功能,使得芯片具有較強的抗干擾能力和較高的可靠性,用此芯片構成的控制系統外接元器件較少,結構簡單。圖4為該芯片的內部結構圖。
由圖4可知,TL494由一個振蕩器、兩個比較器、兩個誤差放大器、一個觸發器、雙與門和雙或非門、一個+5V基準電壓源、兩個NPN輸出晶體管等組成。腳6和腳5外接電阻Rt和Ct確定了振蕩器產生鋸齒波的頻率fosc
fosc=1/(RtCt)
輸出調制脈沖的寬度是由電容Ct端的正向鋸齒波和腳3、4輸入的兩個控制信號綜合比較后確定的。腳13用來控制輸出模式。腳4為死區時間控制端。腳1、腳16和腳2、腳15分別為兩個誤差放大器的同相和非同相輸入端,可以分別接至給定信號和反饋信號,用作電壓和電流調節器,完成系統的閉環控制,或者用作過流、過壓、欠壓和過熱等比較器,實現保護功能。腳14為基準電壓端,可為上述調節器和比較器提供參考基準。

5.2 TL494的外圍電路組成
TL494的外圍電路組成如圖5所示

6 結語
根據上述控制思想研制的充電器,具有過充、過流、過熱等完善的保護功能;經過長期運行,系統顯示出了良好的效果,不僅提高了太陽電池的工作效率,同時也保護了所使用的蓄電池,在利用綠色能源方面,具有較大的社會效益。
參考文獻
1]京特,萊納著.余世杰,何慧若譯.太陽能的光伏利用[M].合肥:合肥工業大學,1991.
2]譚建成.電機控制專用集成電路[M].機械工業出版社,1998.
3]張占松,蔡宣三.開關電源的原理與設計[M].電子工業出版社,1998.
編輯:coco
來源:環球光伏網
http:m.x5a5.com/news/2007-11/2007112715236.html
