有線電視(衛星接收)系統防雷解決方案(圖)
2005/9/22 17:48:58
杭州易龍電氣技術有限公司 供稿

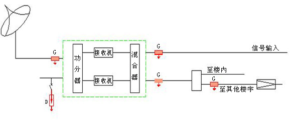
圖例說明:
D--次級/末級電源SPD:EPP50S /EPP40S
G--高頻信號SPD:EPC75-2000F
免責聲明:本文僅代表作者個人觀點,與電源在線網無關。其原創性以及文中陳述文字和內容未經本站證實,對本文以及其中全部或者部分內容、文字的真實性、完整性、及時性本站不作任何保證或承諾,請讀者僅作參考,并請自行核實相關內容。
本文鏈接:有線電視(衛星接收)系統防雷解決方案(
http:m.x5a5.com/news/2005-9/2005922174858.html
http:m.x5a5.com/news/2005-9/2005922174858.html
