淺談大中功率UPS的輸入配電改造(圖)
2005/7/5 11:53:16
艾默生網絡能源有限公司 供稿
摘 要:結合一起大中功率UPS雙機并聯冗余系統出現故障導致斷電事故的案例分析和隱患整改工作,主要介紹了大中功率UPS的輸入配電改造的必要性、可行性以及改造中應注意的細節問題。
關鍵詞:UPS;主路輸入和旁路輸入;隔離要求
一、一起典型案例的發生過程和技術分析
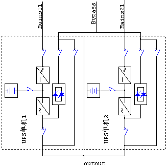
某日某電力機房發出“嗵”的一聲響,值班人員立即進行查看,發現該機房功率為130KVA的UPS電源并機冗余供電系統發生故障,供電系統框圖如下所示。兩臺UPS顯示屏無顯示、輸出指示燈熄滅,設備沒有運行聲音,所有負載設備已經斷電停機。進一步檢查后發現UPS 2#機Kb(315A)輸入空開、接UPS系統交流屏的Kc(400A)配電空開、交流屏上一級的低壓配電室Kd(400A)空開及UPS 2#機蓄電池組CB2直流保護空開全部跳閘。

技術人員通過采取應急措施恢復供電后,打開機器的防護外殼,對電路逐一檢查,發現其整流器的正負半橋均有一只可控硅擊穿,逆變器的正負半橋均有一只IGBT擊穿,逆變器的熔斷器保險損壞,整流輸出直流母排有嚴重短路打火痕跡。更換損壞部件后,加電試機,設備恢復正常,故障處理結束。
此次故障從設備損壞的表象來看,整流輸出直流母排間隔非常小,所帶的都是直流高壓電,因此,機內積塵引發此處短路、打火,造成主要功率部件燒壞、系統宕機。但是從UPS技術理論上講,UPS不應該因自身局部故障導致系統供電停止,尤其是并機冗余系統,是目前最科學、最安全、最可靠的供電方案。那么,是什么原因導致系統輸出斷電呢?
不難看出,UPS 2#機Kb(315A)輸入空開、接UPS系統的交流屏的Kc(400A)配電空開、接交流屏的配電室的Kd(400A)空開共三級相繼跳閘,尤其是接交流屏的配電室400A開關跳閘是導致并機冗余系統輸出斷電的直接原因。下面,根據UPS 1#機當時的事件記錄作進一步分析。

a.18:08:22:290 NOTICE:OUTPUT AC UNDER VOLTAGE (出現輸出交流欠壓問題)其原因是因為所并聯的UPS 因逆變器短路造成并聯點輸出電壓下降。
b.18:08:22:356 NOTICE:INPUT AC UNDER VOLTAGE(出現輸入交流欠壓問題)其原因是因為圖1-1 400A開關跳閘引起UPS1、2輸入交流電壓丟失。
c.18:08:22:356 RECTIFIER OFF(整流器關機)原因是整流器因輸入無電而關機
d.18:08:22:374 NOTICE:BYPASS AC UNDER VOLTAGE(旁路電壓低)原因是UPS1、2發現旁路電壓丟失即輸入無市電。
根據UPS的工作原理,可以知道當第一條告警情況發生時,因為短路產生嚴重超載,UPS1#機后備蓄電池組和逆變電路不可以投入工作,系統將無條件向市電旁路切換,但由于圖1-1 400A開關已跳開,旁路掉電,系統無法轉到旁路,導致斷電。
二、改造方案簡介
UPS輸入一般分為主路輸入和旁路輸入(旁路輸入具體由分自動旁路和手動旁路),在早期UPS工程中,由于未能充分理解UPS的工作原理與市電輸入方式的關系,沒有對UPS主輸入和自動旁路輸入作隔離要求,因而兩個輸入都是由同一個交流配電屏空開引入,機器內部作連接處理,如圖1-1 的供電方式。此接法存在嚴重的“單點故障”隱患,當設備內部短路,產生嚴重過載,導致主輸入空開跳閘,共用同一空開的自動旁路將同時失效,造成負載斷電事故。
技術人員已經及時就此進行了配電整改工作,將UPS內部整流輸入與自動旁路輸入的跳線拆掉,使UPS由單輸入變為雙輸入,即使UPS的送電線路由一路改為二路,分別通過兩只空開向UPS整流和自動旁路送電,見圖1-2 所示。從而避免整流輸入開關故障跳閘后UPS不能轉旁路的問題。
為了規范UPS的配電系統,使其更為合理,同時解決UPS內部短路故障后旁路同時失效問題,從而提高系統的安全性,我們認為應對在網運行的所有大中功率UPS實施輸入配電改造,包括單機、雙機并機、雙機串機。
三、具體改造方案介紹
1、單機UPS系統改造方案
UPS單機系統如圖3-1所示,標準配置的UPS只有一路電纜輸入,其主路輸入和旁路輸入是并接在一起的:

改造后的接線如圖3-2所示,系統改造需多加一路3相輸入電纜,作為主路輸入,多加一個輸入開關,作為主路輸入開關,原三相四線輸入電纜留作為旁路輸入。可以看出,改造后的接線方式切斷了主、旁路輸入的直接聯系,從而大大提高了系統的可靠性。

2、并機UPS系統改造方案
UPS并機系統如圖3-4所示:兩臺UPS輸入均取自市電電網,因此兩臺UPS均需要進行改造,每臺UPS的改造方式與UPS單機系統相同。
系統改造需系統改造需多加兩路3相輸入電纜,作為兩臺UPS主路輸入,多加兩個輸入開關,作為兩臺UPS的主路輸入開關,原兩路三相四線輸入電纜留作為旁路輸入。圖3-3 并聯UPS接線原理圖

3、串聯熱備份UPS系統改造方案
串聯熱備份UPS系統接線如圖3-4所示:主機與從機的主路輸入均取自市電電網,但主機旁路輸入取自從機的輸出。因此主機不需要改造,從機的改造方式與UPS單機系統相同。
系統改造需多加一路3相輸入電纜,作為從機主路輸入,多加一個輸入開關,作為兩臺UPS的主路輸入開關,原三相四線輸入電纜及輸入開關仍作為旁路輸入。考慮到UPS串機系統將來要改造成并機系統,需再多加一組三相輸入電纜及輸入開關,以做備用。

四、配電改造的實施情況和效果
我公司在各級領導的支持和廠家的密切配合下,所有大中功率UPS配電均按預定方案實施了配電改造。工程涉及UPS系統24個,共計41臺UPS,其中25臺需進行主、旁路分離改造,另14臺為串聯熱備份系統的主機,本工程提供備用輸入回路,作為串機系統改為并機系統后使用。改造所涉及的UPS品牌型號如下:
EXIDE 9305 20K單機系統
EXIDE 9305 20K 1+1串機系統
EXIDE 9305 20K 1+1并機系統
LIEBERT UL33-0300L 1+1并機系統
LIEBERT UL33-0600L 1+1并機系統
雷諾士80KVA單機系統
景龍 20KVA 1+1并機系統
先控20K 1+1并機系統
改造的成功實施,將大大增強網絡能源設備的穩定和安全性,對網絡配電安全有著深遠的意義。
此項工作屬于對在網運行設備實施帶電改造,安全責任重大,實施難度大,分工界面復雜,而且據了解在業界尚屬首次,沒有經驗可借鑒,艾默生公司承接了此項改造任務后,經過周密勘察、精心設計,出臺了科學的實施方案,改造中付出了辛苦勞動,所有改造都是一次成功!
作者:河北移動通信有限責任公司網絡部 高健
關鍵詞:UPS;主路輸入和旁路輸入;隔離要求
一、一起典型案例的發生過程和技術分析
某日某電力機房發出“嗵”的一聲響,值班人員立即進行查看,發現該機房功率為130KVA的UPS電源并機冗余供電系統發生故障,供電系統框圖如下所示。兩臺UPS顯示屏無顯示、輸出指示燈熄滅,設備沒有運行聲音,所有負載設備已經斷電停機。進一步檢查后發現UPS 2#機Kb(315A)輸入空開、接UPS系統交流屏的Kc(400A)配電空開、交流屏上一級的低壓配電室Kd(400A)空開及UPS 2#機蓄電池組CB2直流保護空開全部跳閘。

技術人員通過采取應急措施恢復供電后,打開機器的防護外殼,對電路逐一檢查,發現其整流器的正負半橋均有一只可控硅擊穿,逆變器的正負半橋均有一只IGBT擊穿,逆變器的熔斷器保險損壞,整流輸出直流母排有嚴重短路打火痕跡。更換損壞部件后,加電試機,設備恢復正常,故障處理結束。
此次故障從設備損壞的表象來看,整流輸出直流母排間隔非常小,所帶的都是直流高壓電,因此,機內積塵引發此處短路、打火,造成主要功率部件燒壞、系統宕機。但是從UPS技術理論上講,UPS不應該因自身局部故障導致系統供電停止,尤其是并機冗余系統,是目前最科學、最安全、最可靠的供電方案。那么,是什么原因導致系統輸出斷電呢?
不難看出,UPS 2#機Kb(315A)輸入空開、接UPS系統的交流屏的Kc(400A)配電空開、接交流屏的配電室的Kd(400A)空開共三級相繼跳閘,尤其是接交流屏的配電室400A開關跳閘是導致并機冗余系統輸出斷電的直接原因。下面,根據UPS 1#機當時的事件記錄作進一步分析。

a.18:08:22:290 NOTICE:OUTPUT AC UNDER VOLTAGE (出現輸出交流欠壓問題)其原因是因為所并聯的UPS 因逆變器短路造成并聯點輸出電壓下降。
b.18:08:22:356 NOTICE:INPUT AC UNDER VOLTAGE(出現輸入交流欠壓問題)其原因是因為圖1-1 400A開關跳閘引起UPS1、2輸入交流電壓丟失。
c.18:08:22:356 RECTIFIER OFF(整流器關機)原因是整流器因輸入無電而關機
d.18:08:22:374 NOTICE:BYPASS AC UNDER VOLTAGE(旁路電壓低)原因是UPS1、2發現旁路電壓丟失即輸入無市電。
根據UPS的工作原理,可以知道當第一條告警情況發生時,因為短路產生嚴重超載,UPS1#機后備蓄電池組和逆變電路不可以投入工作,系統將無條件向市電旁路切換,但由于圖1-1 400A開關已跳開,旁路掉電,系統無法轉到旁路,導致斷電。
二、改造方案簡介
UPS輸入一般分為主路輸入和旁路輸入(旁路輸入具體由分自動旁路和手動旁路),在早期UPS工程中,由于未能充分理解UPS的工作原理與市電輸入方式的關系,沒有對UPS主輸入和自動旁路輸入作隔離要求,因而兩個輸入都是由同一個交流配電屏空開引入,機器內部作連接處理,如圖1-1 的供電方式。此接法存在嚴重的“單點故障”隱患,當設備內部短路,產生嚴重過載,導致主輸入空開跳閘,共用同一空開的自動旁路將同時失效,造成負載斷電事故。
技術人員已經及時就此進行了配電整改工作,將UPS內部整流輸入與自動旁路輸入的跳線拆掉,使UPS由單輸入變為雙輸入,即使UPS的送電線路由一路改為二路,分別通過兩只空開向UPS整流和自動旁路送電,見圖1-2 所示。從而避免整流輸入開關故障跳閘后UPS不能轉旁路的問題。
為了規范UPS的配電系統,使其更為合理,同時解決UPS內部短路故障后旁路同時失效問題,從而提高系統的安全性,我們認為應對在網運行的所有大中功率UPS實施輸入配電改造,包括單機、雙機并機、雙機串機。
三、具體改造方案介紹
1、單機UPS系統改造方案
UPS單機系統如圖3-1所示,標準配置的UPS只有一路電纜輸入,其主路輸入和旁路輸入是并接在一起的:

改造后的接線如圖3-2所示,系統改造需多加一路3相輸入電纜,作為主路輸入,多加一個輸入開關,作為主路輸入開關,原三相四線輸入電纜留作為旁路輸入。可以看出,改造后的接線方式切斷了主、旁路輸入的直接聯系,從而大大提高了系統的可靠性。

2、并機UPS系統改造方案
UPS并機系統如圖3-4所示:兩臺UPS輸入均取自市電電網,因此兩臺UPS均需要進行改造,每臺UPS的改造方式與UPS單機系統相同。
系統改造需系統改造需多加兩路3相輸入電纜,作為兩臺UPS主路輸入,多加兩個輸入開關,作為兩臺UPS的主路輸入開關,原兩路三相四線輸入電纜留作為旁路輸入。圖3-3 并聯UPS接線原理圖

3、串聯熱備份UPS系統改造方案
串聯熱備份UPS系統接線如圖3-4所示:主機與從機的主路輸入均取自市電電網,但主機旁路輸入取自從機的輸出。因此主機不需要改造,從機的改造方式與UPS單機系統相同。
系統改造需多加一路3相輸入電纜,作為從機主路輸入,多加一個輸入開關,作為兩臺UPS的主路輸入開關,原三相四線輸入電纜及輸入開關仍作為旁路輸入。考慮到UPS串機系統將來要改造成并機系統,需再多加一組三相輸入電纜及輸入開關,以做備用。

四、配電改造的實施情況和效果
我公司在各級領導的支持和廠家的密切配合下,所有大中功率UPS配電均按預定方案實施了配電改造。工程涉及UPS系統24個,共計41臺UPS,其中25臺需進行主、旁路分離改造,另14臺為串聯熱備份系統的主機,本工程提供備用輸入回路,作為串機系統改為并機系統后使用。改造所涉及的UPS品牌型號如下:
EXIDE 9305 20K單機系統
EXIDE 9305 20K 1+1串機系統
EXIDE 9305 20K 1+1并機系統
LIEBERT UL33-0300L 1+1并機系統
LIEBERT UL33-0600L 1+1并機系統
雷諾士80KVA單機系統
景龍 20KVA 1+1并機系統
先控20K 1+1并機系統
改造的成功實施,將大大增強網絡能源設備的穩定和安全性,對網絡配電安全有著深遠的意義。
此項工作屬于對在網運行設備實施帶電改造,安全責任重大,實施難度大,分工界面復雜,而且據了解在業界尚屬首次,沒有經驗可借鑒,艾默生公司承接了此項改造任務后,經過周密勘察、精心設計,出臺了科學的實施方案,改造中付出了辛苦勞動,所有改造都是一次成功!
作者:河北移動通信有限責任公司網絡部 高健
免責聲明:本文僅代表作者個人觀點,與電源在線網無關。其原創性以及文中陳述文字和內容未經本站證實,對本文以及其中全部或者部分內容、文字的真實性、完整性、及時性本站不作任何保證或承諾,請讀者僅作參考,并請自行核實相關內容。
本文鏈接:淺談大中功率UPS的輸入配電改造(圖)
http:m.x5a5.com/news/2005-7/200575115316.html
http:m.x5a5.com/news/2005-7/200575115316.html
