0-10mV /0-20mV 隔離電流電壓信號(圖)
2005/12/12 12:19:13
深圳市順源科技有限公司 供稿
關鍵詞:模擬信號:0-10mA/0-20mA/4-20mA/0-5V/0-10V/0-±5V/1-5V等輸入與輸出之間的隔離及變換。
說 明:ISO系列隔離放大器是一種將模擬信號按比例進行隔離和轉換的混合集成電路(IC),它分為有源(含輔助電源)型和無源型兩大類。
無源型IC內部包含有電流信號調制解調電路、信號耦合隔離變換電路等,很小的輸入等效電阻,使該IC的輸入電壓達到超寬范圍(7.5—32V),以滿足用戶無需外接電源而實現信號遠距離、無失真傳輸的需要。內部的陶瓷基板、印刷電阻工藝及新技術隔離措施使器件能達到3KVAC絕緣電壓和工業級寬溫度、潮濕、震動的現場惡劣環境要求。ISO 4-20mA系列產品使用非常方便無需外接任何元件即可實現4-20mA電流環隔離或信號一進二出、二進二出等變換功能。
有源型IC是在同一芯片上集成了一個高隔離的DC/DC電源及高性能線性光電耦合器的混合集成電路。該芯片除了為內部放大電路供電外,還可以向外部(信號輸入與輸出端)提供兩組隔離的正、負直流電源和兩組的5VDC穩壓基準源,專供外部電路擴展用,如電橋電路、小信號前置放大電路等用戶專用電路。該系列產品具有寬信號帶寬20KHZ,可對0~±10VDC雙向直流信號或0~5VAC的交流信號進行隔離、調理和變換。該IC體積很小,使用非常方便,只需很少外部元件即可實現模擬信號的(I/I I/V V/I V/V)隔離及變換功能。
主要應用領域: 模擬信號數據采集,隔離傳輸及供電,工業現場信號隔離傳輸及變換,地線干擾抑制,信號遠程無失真傳輸,儀器儀表與傳感器信號的隔離變換。電力設備及醫療儀器安全隔離柵。
產品體系:ISO 4-20mA 系列———兩線無源4-20mA信號隔離調理IC
ISO-Ax-Px-Ox系列———直流電流信號(I/V I/I)隔離放大器IC
ISO-Ux-Px-Ox系列———直流電壓信號(V/I V/V)隔離放大器IC
ISO1001 /1002 系列———直流雙向或交流信號隔離放大器IC
產品特性:
精度等級:0.1級、0.2級、0.5級
全量程范圍內極高的線性度(非線性度<0.2%)
國標標準信號: 0-10mA/0-20mA/4-20mA/0-5V/0-10V/0-±5V/1-5V輸入/輸出。具有低輸入阻抗和輸出高負載能力
信號輸入/輸出/輔助電源之間 3KV 三隔離
單電源供電,可為用戶在信號輸入或輸出端提供隔離電源
低成本,小體積,標準單列SIP12和雙列DIP24腳IC封裝
工業級工作溫度范圍,符合UL-94標準的阻燃材料真空灌封
一、概述
信號隔離技術是使模擬信號在發送時不存在穿越發送和接收端之間屏障的電流連接。這允許發送和接收端外的地或基準電平之差值可以高達幾千伏,并且防止了可能損害信號的不同地電位之間的環路電流。信號地的噪聲可使信號受損。隔離可將信號分離到一個干凈的信號子系統地,使傳感器、儀器儀表或控制系統與電源之間互相隔離,從而保證整個系統裝置的工作安全、可靠及穩定。
而在另一種應用中,基準電平之間的電連接可隔離產生一個對于操作人員或病人不安全的電流通路。
信號隔離器件依賴于無發送器和接收器來跨越隔離屏障,這種器件曾用于數字信號,但線性化問題迫使模擬信號隔離采用變壓器、光電耦合器、電容或光電池等器件來實現。
模擬信號隔離:在很多系統中,模擬信號必須隔離。模擬信號所考慮的電路參量完全不同于數字信號。
模擬信號通常先要考慮:精度或線性度、頻率響應、噪聲等。
然后是對電源的要求,電源要求高隔離、高精度、低噪聲,特別是對輸入級。也應該關注隔離放大器的基本精度或線性度不能依靠相應的應用電路來改善,但這些電路可降低噪聲和降低輸入級電源要求。
對于電源噪聲的干擾,可以采用調制載波使模擬信號跨越這個屏障。如ISO 4-20的兩線無源信號隔離放大器使模擬隔離簡化。輸入信號被占空度調制并以數字方式發送跨過屏障。輸出部分接收被調制的信號,把它變換回模擬信號并去掉調制/解調過程中固有的紋波成分。
對信號隔離的另一問題是隔離放大器輸入級所需的功耗,而隔離放大器的輸入阻抗及自身的等效電阻是問題的關鍵所在。而輸出級通常以機殼或地為基準,輸入級通常浮動在另一個電位上。因此,輸入級的電源也必須隔離。通常用一個單電源(5V/12V/15V/24V),而不是理想中使用的正、負雙電源。
二、原理介紹
通過反復實驗驗證,本系列產品達到了預期的目的。 附圖說明:
圖一、隔離放大器原理框圖

圖一 . 1.兩線無源4-20mA隔離放大器原理框圖

圖一 . 2. ISO 1001系列電壓輸出內置電源隔離放大器原理框圖

圖一 . 3. ISO APO系列電流輸出內置電源隔離放大器原理框圖
3、典型電性能指標:

三、典型應用技術
圖三、為ISO 系列隔離放大器典型應用接線原理圖,其中輸入和輸出放大器都為跟隨方式。 此時隔離放大器的整體放大倍數為20倍,R1,R2和W1為調零電路,R1=5.1K R2=2K W1=2K(多圈電位器)。 輔助電源為 +12VDC,R3和W3為增益調節電路,R3=39K W3=10K(多圈電位器)

圖三. ISO 系列隔離放大器典型應用接線原理圖
信號輸入放大器設計:
圖四 為輸入放大器電路,當輸入放大器輸出(21腳COM端)為0.5V時,輸出即為5V(13和14腳短接時)。輸入反相放大電路:
圖五 為輸入反相放大電路接線圖,其中放大倍數為:Kin = - R11/R12 R3 = R11//R12
例如:當輸入Vin為0~-100mV,輸出為0~5V時,可以取:R11=50K R12=10K R13=8.3K 放大倍數:Kin=-50/10=-5 輸入同相放大電路:
圖六 為輸入同相放大電路接線圖,其放大倍數為:Kin=1+R2/R1

圖四 輸入放大器

圖五 反相放大器接線圖

圖六 同相放大器接線圖
ISO 1001 為用戶設計了一個輸出放大器,其原理如圖七 所示,FB為放大器的反相輸入端,當13和14腳短接時,輸出放大倍數Kout=1+33/10=4.3,由于隔離放大器部分已有2.35倍的放大倍數,所以,總放大倍數K=4.3*2.35=10.1。
當輸入放大器的COM端電壓達不到0.5V時,可以通過輸出放大器調節放大倍數,如圖八 所示,W2可以取1~100K(多圈電位器)。

圖七 輸出放大器原理圖

圖八 輸出放大器調節電路
四、典型應用實例
應用實例1:用隔離放大器直接測量高電壓信號
輸入:0~±100VDC直流電壓信號
輸出:0~±10V DC 隔離信號
取R4=100K R0=390 W1=200(多圈電位器)
取R3=39K W3=10K(多圈電位器)R1=5.1K R2=2K W2=2K(多圈電位器)
當輸入信號較小時可以采用圖六 同相放大電路,使輸入放大器的輸出(即COM端電壓)為0.45~0.48V之間,其余與圖九 相同。

(圖九 應用實例1)
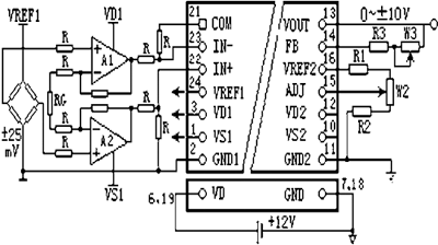
應用實例2:測量電橋輸出的差分小信號。接線圖見 圖十
輸入:0~±25mV電橋差分小信號
輸出:0~±10V DC 隔離信號
A1、A2和輸入放大器組成一個數據放大器,
取R= 100K RG=5K 則數據放大器的放大倍數為 Kin=100/5=20。
電路其它元件選擇:取 R1=5.1K R2=2K W2=2K(多圈電位器)
取 R3=39K W3=10K(多圈電位器)

(圖十 應用實例2)
四、產品外形尺寸及引腳描述
DIP 24腳封裝的IC尺寸圖,見圖十一
DIP 24腳封裝的IC引腳定義圖,見圖十二

(圖十一 DIP 24腳封裝的IC尺寸圖)

(圖十二DIP 24封裝引腳定義圖)


SIP 12腳封裝的IC尺寸及IC引腳定義圖,見圖十三

圖十三 SIP 12腳封裝的IC尺寸及引腳定義圖
總結
隨著現代電子技術的高速發展,有很多新器件可供技術人員開發設計選用。通過新器件的功能擴展可開發出許多實用型的新產品,從而推動電子產品不斷更新換代,并且向低成本、小體積、多功能、智能化方面發展。深圳市順源科技公司的ISO系列產品,針對國內外類似產品有著低成本、小體積、高精度、多功能等領先技術。廣泛應用在工業控制、醫療設備、儀器儀表等系統中地電位有很大差別的電路設計中。整個產品電路中的每一種器件和工藝都是針對獨特系統要求而設計的,新器件性能集成的高水平使得跨越隔離屏障能實現從前做不到的更復雜的操作。
深圳市順源科技有限公司
聯系人:曾苑
電話:0755-21255909
傳真:0755-83116652
QQ:164317283
MSN:zengyua@hotmail.com
說 明:ISO系列隔離放大器是一種將模擬信號按比例進行隔離和轉換的混合集成電路(IC),它分為有源(含輔助電源)型和無源型兩大類。
無源型IC內部包含有電流信號調制解調電路、信號耦合隔離變換電路等,很小的輸入等效電阻,使該IC的輸入電壓達到超寬范圍(7.5—32V),以滿足用戶無需外接電源而實現信號遠距離、無失真傳輸的需要。內部的陶瓷基板、印刷電阻工藝及新技術隔離措施使器件能達到3KVAC絕緣電壓和工業級寬溫度、潮濕、震動的現場惡劣環境要求。ISO 4-20mA系列產品使用非常方便無需外接任何元件即可實現4-20mA電流環隔離或信號一進二出、二進二出等變換功能。
有源型IC是在同一芯片上集成了一個高隔離的DC/DC電源及高性能線性光電耦合器的混合集成電路。該芯片除了為內部放大電路供電外,還可以向外部(信號輸入與輸出端)提供兩組隔離的正、負直流電源和兩組的5VDC穩壓基準源,專供外部電路擴展用,如電橋電路、小信號前置放大電路等用戶專用電路。該系列產品具有寬信號帶寬20KHZ,可對0~±10VDC雙向直流信號或0~5VAC的交流信號進行隔離、調理和變換。該IC體積很小,使用非常方便,只需很少外部元件即可實現模擬信號的(I/I I/V V/I V/V)隔離及變換功能。
主要應用領域: 模擬信號數據采集,隔離傳輸及供電,工業現場信號隔離傳輸及變換,地線干擾抑制,信號遠程無失真傳輸,儀器儀表與傳感器信號的隔離變換。電力設備及醫療儀器安全隔離柵。
產品體系:ISO 4-20mA 系列———兩線無源4-20mA信號隔離調理IC
ISO-Ax-Px-Ox系列———直流電流信號(I/V I/I)隔離放大器IC
ISO-Ux-Px-Ox系列———直流電壓信號(V/I V/V)隔離放大器IC
ISO1001 /1002 系列———直流雙向或交流信號隔離放大器IC
產品特性:
精度等級:0.1級、0.2級、0.5級
全量程范圍內極高的線性度(非線性度<0.2%)
國標標準信號: 0-10mA/0-20mA/4-20mA/0-5V/0-10V/0-±5V/1-5V輸入/輸出。具有低輸入阻抗和輸出高負載能力
信號輸入/輸出/輔助電源之間 3KV 三隔離
單電源供電,可為用戶在信號輸入或輸出端提供隔離電源
低成本,小體積,標準單列SIP12和雙列DIP24腳IC封裝
工業級工作溫度范圍,符合UL-94標準的阻燃材料真空灌封
一、概述
信號隔離技術是使模擬信號在發送時不存在穿越發送和接收端之間屏障的電流連接。這允許發送和接收端外的地或基準電平之差值可以高達幾千伏,并且防止了可能損害信號的不同地電位之間的環路電流。信號地的噪聲可使信號受損。隔離可將信號分離到一個干凈的信號子系統地,使傳感器、儀器儀表或控制系統與電源之間互相隔離,從而保證整個系統裝置的工作安全、可靠及穩定。
而在另一種應用中,基準電平之間的電連接可隔離產生一個對于操作人員或病人不安全的電流通路。
信號隔離器件依賴于無發送器和接收器來跨越隔離屏障,這種器件曾用于數字信號,但線性化問題迫使模擬信號隔離采用變壓器、光電耦合器、電容或光電池等器件來實現。
模擬信號隔離:在很多系統中,模擬信號必須隔離。模擬信號所考慮的電路參量完全不同于數字信號。
模擬信號通常先要考慮:精度或線性度、頻率響應、噪聲等。
然后是對電源的要求,電源要求高隔離、高精度、低噪聲,特別是對輸入級。也應該關注隔離放大器的基本精度或線性度不能依靠相應的應用電路來改善,但這些電路可降低噪聲和降低輸入級電源要求。
對于電源噪聲的干擾,可以采用調制載波使模擬信號跨越這個屏障。如ISO 4-20的兩線無源信號隔離放大器使模擬隔離簡化。輸入信號被占空度調制并以數字方式發送跨過屏障。輸出部分接收被調制的信號,把它變換回模擬信號并去掉調制/解調過程中固有的紋波成分。
對信號隔離的另一問題是隔離放大器輸入級所需的功耗,而隔離放大器的輸入阻抗及自身的等效電阻是問題的關鍵所在。而輸出級通常以機殼或地為基準,輸入級通常浮動在另一個電位上。因此,輸入級的電源也必須隔離。通常用一個單電源(5V/12V/15V/24V),而不是理想中使用的正、負雙電源。
二、原理介紹
通過反復實驗驗證,本系列產品達到了預期的目的。 附圖說明:



3、典型電性能指標:

三、典型應用技術
圖三、為ISO 系列隔離放大器典型應用接線原理圖,其中輸入和輸出放大器都為跟隨方式。 此時隔離放大器的整體放大倍數為20倍,R1,R2和W1為調零電路,R1=5.1K R2=2K W1=2K(多圈電位器)。 輔助電源為 +12VDC,R3和W3為增益調節電路,R3=39K W3=10K(多圈電位器)

信號輸入放大器設計:
圖四 為輸入放大器電路,當輸入放大器輸出(21腳COM端)為0.5V時,輸出即為5V(13和14腳短接時)。輸入反相放大電路:
圖五 為輸入反相放大電路接線圖,其中放大倍數為:Kin = - R11/R12 R3 = R11//R12
例如:當輸入Vin為0~-100mV,輸出為0~5V時,可以取:R11=50K R12=10K R13=8.3K 放大倍數:Kin=-50/10=-5 輸入同相放大電路:
圖六 為輸入同相放大電路接線圖,其放大倍數為:Kin=1+R2/R1



ISO 1001 為用戶設計了一個輸出放大器,其原理如圖七 所示,FB為放大器的反相輸入端,當13和14腳短接時,輸出放大倍數Kout=1+33/10=4.3,由于隔離放大器部分已有2.35倍的放大倍數,所以,總放大倍數K=4.3*2.35=10.1。
當輸入放大器的COM端電壓達不到0.5V時,可以通過輸出放大器調節放大倍數,如圖八 所示,W2可以取1~100K(多圈電位器)。


四、典型應用實例
應用實例1:用隔離放大器直接測量高電壓信號
輸入:0~±100VDC直流電壓信號
輸出:0~±10V DC 隔離信號
取R4=100K R0=390 W1=200(多圈電位器)
取R3=39K W3=10K(多圈電位器)R1=5.1K R2=2K W2=2K(多圈電位器)
當輸入信號較小時可以采用圖六 同相放大電路,使輸入放大器的輸出(即COM端電壓)為0.45~0.48V之間,其余與圖九 相同。

應用實例2:測量電橋輸出的差分小信號。接線圖見 圖十
輸入:0~±25mV電橋差分小信號
輸出:0~±10V DC 隔離信號
A1、A2和輸入放大器組成一個數據放大器,
取R= 100K RG=5K 則數據放大器的放大倍數為 Kin=100/5=20。
電路其它元件選擇:取 R1=5.1K R2=2K W2=2K(多圈電位器)
取 R3=39K W3=10K(多圈電位器)

四、產品外形尺寸及引腳描述
DIP 24腳封裝的IC尺寸圖,見圖十一
DIP 24腳封裝的IC引腳定義圖,見圖十二




SIP 12腳封裝的IC尺寸及IC引腳定義圖,見圖十三

總結
隨著現代電子技術的高速發展,有很多新器件可供技術人員開發設計選用。通過新器件的功能擴展可開發出許多實用型的新產品,從而推動電子產品不斷更新換代,并且向低成本、小體積、多功能、智能化方面發展。深圳市順源科技公司的ISO系列產品,針對國內外類似產品有著低成本、小體積、高精度、多功能等領先技術。廣泛應用在工業控制、醫療設備、儀器儀表等系統中地電位有很大差別的電路設計中。整個產品電路中的每一種器件和工藝都是針對獨特系統要求而設計的,新器件性能集成的高水平使得跨越隔離屏障能實現從前做不到的更復雜的操作。
深圳市順源科技有限公司
聯系人:曾苑
電話:0755-21255909
傳真:0755-83116652
QQ:164317283
MSN:zengyua@hotmail.com
免責聲明:本文僅代表作者個人觀點,與電源在線網無關。其原創性以及文中陳述文字和內容未經本站證實,對本文以及其中全部或者部分內容、文字的真實性、完整性、及時性本站不作任何保證或承諾,請讀者僅作參考,并請自行核實相關內容。
本文鏈接:0-10mV /0
http:m.x5a5.com/news/2005-12/20051212121913.html
http:m.x5a5.com/news/2005-12/20051212121913.html
文章標簽: DC/DC電源模塊/隔離電源/隔離模塊
