2A升壓IC 直流升壓電路 大電流升壓 DC-DC升壓電路SX1318 2A升壓專用IC
供應升壓型大功率高效率單片直流電源變換芯片SX1318 機電
2A升壓芯片 12v升19V大功率電源IC 大電流電源IC 2A升壓IC 5A升壓IC
5V升壓電路 5V升12v 升13v升14v 升15v 升16v 升18v 升24v升28v 2A電流升壓ic
SX1318高壓大電流DC-DC升壓IC 5V升12V 12V升16V 12V升19V 12V轉19V
碩芯科技優勢供應直流電源變換芯片 輸入5V-32V,輸出6V-40V,12V升18V 0.8A
1A升壓IC 低成本大電流升壓IC,大功率DC-DC升壓電路 直流升壓電路SX1318
大功率電源升壓IC 2A大電流升壓IC SX1318電源升壓電路 3A升壓IC
2A穩壓IC-DC/DC升壓IC 12v升壓電路 12v升24v 升28v 升36V升48V
SX1318升壓型DC-DC 轉換器 5V轉12V/1A應用
大電流DC/DC升壓IC 12V升20V升25V 升38V 12V升42V(SX1318)
大電流升壓芯片 大電流升壓電路 12V升16V升18V 升19V 12V升42V 應用簡單升壓方案
供應高效率大電流升壓IC直流升壓電路 5V升12V 5V升18V 12v升16V 24v升28V
5v 升12.6v升14v 升16.6v 升18.5v 升24v 升30v 2A 3A大電流電源ic SX1318
高效率大功率升壓IC 12V升20V 12v升24V 升32V升36V升60V
5V轉12V 1A升壓芯片 12V升24V 升28V 升36V 2A高效率升壓IC
5V升壓電路 12v升24v 電源模塊 24v升28v 1A大電流 SX1318
供應大電流DC-DC升壓芯片5V升12V 12v升16V 12v升19V 24v升28V 升36V 升42V
1.5v升3v升5v 12v電路圖 5v升12v電路圖 12v升24v電路圖SX1318
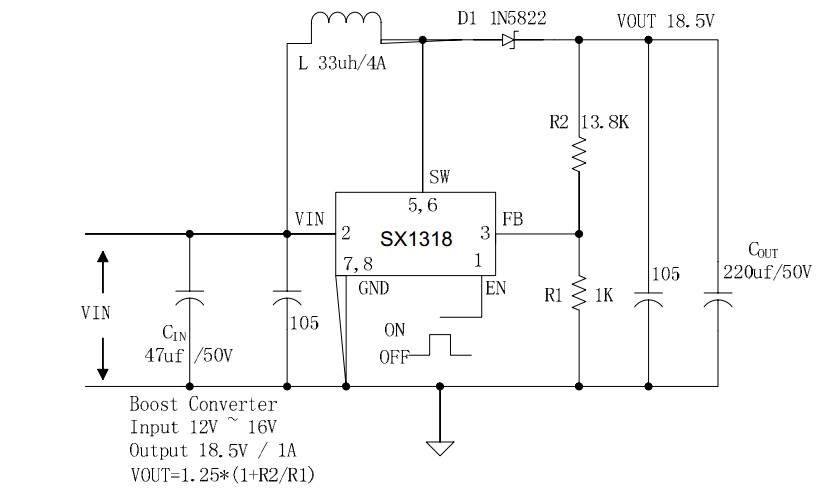
SX1318是一款寬電壓輸出,DC-DC轉換器。輸入電壓范圍是5V至32V,輸出電壓范圍是5V至42V可調,內部MOSFET輸出開關電流可高達2A,400KHz開關頻率,內置軟啟動功能、過壓保護、短路保護,采用標準的SOP-8無鉛封裝。
SX1318廣泛應用于開關電源適配器、手持數碼產品、通訊設備、MP4/MP3、電子詞典、 數碼相機、汽車電子、玩具、充電器、無線抄表、高壓報警器、車載霧化器、美容醫療霧化器等諸多領域。
|
SX1318典型應用 | ||
|
應用 |
電流 |
效率 |
|
5V升9v |
500MA |
89% |
|
5V升12v |
300MA |
88% |
|
9V升12v |
1A |
92% |
|
12v升24v |
300MA |
92% |
|
12V升28v |
200MA |
90% |
