機載高頻開關電源產品專門用于輸入交流400Hz的場合,這項產品主要應用于軍用雷達、航空航天、艦船、機車以及導彈發射等。研制出機載高頻開關電源產品對電子武器裝備系統的國產化,打破國際封鎖,提高我軍裝備的機動性,高性能都有重要的意義。
機載電源的使用環境比較惡劣,必須適應寬范圍溫度正常工作,并能經受沖擊、震動、潮濕等應力篩選試驗,因此設計機載電源的可靠性給我們提出了更高的要求。
機上可供選擇的供電電源有兩種輸入方式:115V/400Hz中頻交流電源和28V直流電源。兩種輸入方式各有優缺點,115V/400Hz電源波動小,需要器件的耐壓相對較高;而28V直流電源卻相反,一般不能直接提供給設備部件使用,必須將供電電源進行隔離并穩壓成為需要的直流電源才能使用。下面主要介紹115V/400Hz中頻交流輸入方式所研制的開關電源,它的輸出電壓270~380Vdc可以調節,輸出功率不小于3000W,環境溫度可寬至-40℃~+55℃,完全適應軍品級電源的需要。
系統構成及主回路設計
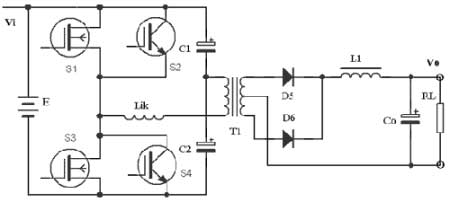
圖1所示為整機電路原理框圖。它的設計主要通過升壓功率因數校正電路及DC/DC變換電路兩部分完成。115Vac/400Hz中頻交流電源經輸入濾波,通過升壓功率因數校正(PFC)電路完成功率因數校正及升壓預穩、能量存儲,再通過DC/DC半橋變換、高頻整流濾波器、輸出濾波電路以及反饋控制回路實現270~380Vdc可調節輸出穩壓的性能要求。

圖1 整機電路原理框圖
升壓功率因數校正電路主要使輸入功率因數滿足指標要求,同時實現升壓預穩功能。本部分設計兼顧功率因數電路達到0.92的要求,又使DC/DC輸入電壓適當,不致使功率因數校正電路工作負擔過重,因此設定在330~350Vdc。
隔離式DC/DC變換器電路拓撲結構形式主要有以下幾種:正激、反激、全橋、半橋和推挽。反激和正激拓撲主要應用在中小功率電源中,不適合本電源的3000W輸出功率要求。全橋拓撲雖然能輸出較大的功率,但結構相對較為復雜。推挽電路結構中的開關管電壓應力很高,并且在推挽和全橋拓撲中都可能出現單向偏磁飽和,使開關管損壞。而半橋電路因為具有自動抗不平衡能力,而且相對較為簡單,開關管數量較少且電壓電流應力都比較適中,故不失為一種合理的選擇。
DC/DC變換電路主要為功率變壓器設計,采用IGBT/MOSFET并聯組合開關技術和半橋電路平衡控制技術。經過分析計算,采用雙E65磁芯,初級線圈12匝,次級繞組圈15匝。
關鍵技術設計
1.功率因數校正技術和無源無耗緩沖電路
具有正弦波輸入電流的單相輸入個功率因數校正電路在開關電源中的使用越來越廣泛,圖2所示為升壓功率因數校正和無源無耗緩沖電路。

圖2 功率因數校正和新型的無源無耗緩沖電路
采用無源無耗緩沖電路,元件全部采用L、C、D等無源器件,既有零電流導通特性,又有零電壓關斷特性,比傳統的有損耗的緩沖電路元件少30%。緩沖電路元件包括L1、C1、C2、D1、D2和D3。
可用UC2854A控制主開關SWB,其緩沖電路是不需控制的,并且具有電路簡單的特點。其原理是將二極管DB反向恢復的能量和SWB關斷時儲存在C2中的能量在SWB導通時轉移到C1中。在SWB關斷時,L1中的儲能向C2充電,并通過D1、D2、D3轉移到CB中,同時也向CB放電,用這種電路實現了零電壓關斷和零電流導通,有效地減少損耗,提高了電路的效率和可靠性。
該電路的主要特點是:
開關SWB上最大電壓為輸出電壓VL。
Boost二極管DB上最大反向電壓為VL+VE,VE值由IR、L1、C1及C2的相關值決定。
開關SWB上最大電流上升率由L1和V1決定,并且導通損耗和應力很小。
開關SWB上最大電壓率由C2決定,并且關斷功耗和應力很小。
在開關周期中,為獲得電流和電壓上升率的控制而儲存在L1和C2中的能量最終又回到輸出電源中,這樣確保電路真正的無損耗工作。
2.IGBT/MOSFET并聯組合開關技術
圖3所示為IGBT/MOSFET并聯組合開關電路及工作波形圖。與MOSFET相比,IGBT通態電壓很低,電流在關斷時很快下降到初始值的5%,但減少到零的時間較長,約1~1.5μs,在硬開關模式下會導致很大的開關損耗。在組合開關中,并聯MOSFET在IGBT關斷1.5μs后,拖尾電流已減少到接近零時才關斷。

圖3 IGBT/MOSFET并聯組合開關電路及工作波形圖
這種技術因通態損耗很低而使得DC/DC變換器的效率很高。但需工作頻率相對較低,一般選取20~40kHz。由于半橋組合開關只需兩個開關,總的開關器件的數目少,使可靠性顯著提高。
- 1
- 2
- 總2頁
http:m.x5a5.com/news/2010-1/201012714023.html






■