摘要:鉛帶收卷機,主要是收集鉛帶,需要張力控制!工藝流程如下:

工藝流程圖僅供參考(1)

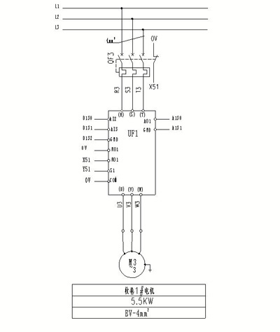
電氣控制圖僅供參考(2)
本文以收卷機(卷筒)控制系統維例,詳細介紹了英威騰電氣股份有限公司開發的 Goodrive200A系列變頻器在收卷機(卷筒)上的應用。
一、引言
一種鉛帶收卷機的自動助卷裝置,用于解決鉛帶收卷機切換時的鉛帶導入問題,它包括執行機構、驅動機構和鉛帶導向槽,所述執行機構由壓緊輥組件和收卷機主軸組成,所述壓緊輥組件包括布置在收卷機主軸左右側的兩部分,其中每一部分均包括壓緊輥、壓緊輥固定座和導向板,所述壓緊輥數量不少于三個,它們均通過軸承組件與壓緊輥固定座裝配,所述壓緊輥固定座呈圓弧形狀,其徑向截面為矩形槽結構,壓緊輥布置在該矩形槽中,在相鄰兩壓緊輥之間設有導向板,所述導向板固定在壓緊輥固定座矩形槽的邊緣部位。本實用新型結構簡單,運行穩定可靠,不僅顯著地提高了生產效率,而且消除了安全生產方面的隱患,同時為設備的自動化升級帶來了極大便利。
二、控制要求
本文僅以英威騰變頻器在鉛帶收卷使用現場的要求為例進行說明,如
圖 2 所示,具體控制要求有如下:

客戶需求一臺 5.5 千瓦變頻器控制收卷電機,隨著卷徑的變化,張力隨之變化,變頻器采用直流供電。其中對變頻器及控制要求主要包括:
a) 低頻轉矩輸出較大。
b) 加減速過程中速度輸出的均勻性。
c) 斷電維持并減速同步停車。
d) 減速同步停車的減速時間最好精確到小數點后兩位。
e) 張力控制要求精確。
三、英威騰 Goodrive200A
Goodrive200A變頻器具有優異的矢量控制性能,實現轉矩控制、速度控制的一體化,能滿足不同客戶多種應用需求。同時,Goodrive200A變頻器具有超出同類產品的防跳閘性能和適應惡劣電網、溫度、濕度和粉塵能力,極大提高產品可靠性。
1. 產品可實現準確的參數自學習,提供優異的電機驅動性能;
2. 具有先進的開環矢量控制性能,良好的電壓、電流控制技術;
3. 產品設計嚴格遵循IEC國標標準,并通過了CE認證測試;
4. 標配內置RS485通訊接口,支持Modbus通訊協議;易用的上位機軟件,便于監控和調試;
5. 內置選配C3濾波器,可外置選配C2濾波器,EMC性能更優秀,使產品在電磁干擾場合更適用
四、系統接線及調試
接線圖



系統調試
調試主要解決以下幾個問題
1.是低頻力矩輸出能力
2.低速下的收卷是否平穩
- 1
- 2
- 總2頁
http:m.x5a5.com/news/59620.htm



