Acrel-2000用戶變電站綜合自動化系統
安科瑞Acrel-2000智能配電系統,是針對大中型電力用戶,如大型公共建筑(建筑群)、大工業用戶、廠礦等供電電壓為10kV以上的用戶,結合變電站綜合自動化技術規范和電力用戶對用電監控的要求,提供的包括微機保護裝置、智能測控裝置、電力監控儀表等二次元件及計算機監控系統實現的產品解決方案。
1、適用范圍
安科瑞Acrel-2000智能配電系統適用于電力、水利、交通、石油、化工、煤炭、冶金等行業35kV及以下電壓等級的用戶端供配電監控和運行管理,通過對用戶配電網絡和電氣設備的不間斷保護和監控,提高供電可靠性和供配電系統的自動化水平,來實現可靠、安全、先進、高效的供配電系統。
2、系統構成
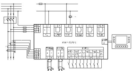
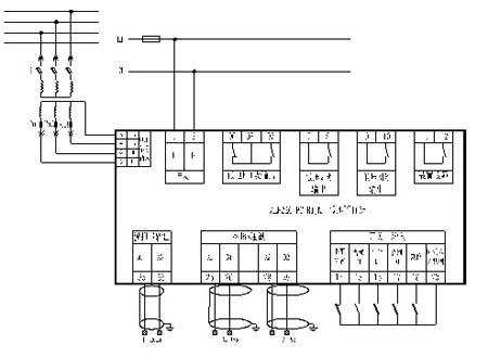
安科瑞Acrel-2000智能配電系統由Acrel-2000監控軟件、計算機和通訊網絡、中壓微機保護裝置、低壓多功能儀表、計量儀表、溫控儀、直流屏等設備構成。

安科瑞Acrel-2000智能配電系統產品構成
3、系統特點
1)強化了10kV、35kV電氣回路的監控和自動化
大中型電力用戶的電源進線一般都是10kV或35kV,擁有多臺變壓器和開閉所,以及數量龐大的低壓進出線路。不僅要求對設備運行數據和狀態、用電質量和電能等信息進行采集分析,用戶還關心用電的可靠性,本系統加入變電站綜合自動化的設計思想,形成完整的用戶端智能配電方案。
2)解決方案細分化
在Acrel-2000的基礎上,根據用戶所屬行業及用電特點,對產品解決方案、系統配置、系統功能進行細分,針對性強。
3)專業、開放的后臺軟件
安科瑞Acrel-2000智能配電系統是應用電力自動化技術、計算機技術和信息傳輸技術,集保護、監測、控制、通信等功能于一體的分層分布式變電站綜合自動化系統,既滿足有人值班變電站的要求,也可滿足無人值班變電站的要求。
4、系統功能
Acrel-2000智能配電系統其監控軟件全中文人機界面、簡單易操作,集測量、監視、控制功能于一體,實現對整個供配電系統的全面測量與保護,具體功能如下:
1)畫面顯示
操作人員最常用的人機界面,用戶可直觀了解當前電網運行實時狀態、對數值進行封鎖與封鎖解除,告警的抑制與恢復、對狀態進行分/合封鎖與封鎖解除,告警的抑制與恢復、對具有遙控功能的裝置、站進行遙控操作、對檢修或接地的設備可掛牌標記等。
2)數據采集
實時采集各電壓、電流等模擬量、開關數字量、狀態量以及脈沖量、保護定值、GPS時鐘、通道狀態等信息,重要的保護動作、裝置故障信息等通過無源接點輸入,其他保護功能通過通訊方式采集。
3)電能質量監測(該功能需要選配帶諧波監測功能的電力儀表)
對整個配電系統范圍內的電能質量和電能可靠性狀況進行持續性的監測。例如配電系統維護人員可以通過諧波分析界面掌握配電系統的諧波含量,及時采取相應的措施提高配電系統的可靠性,減少因諧波造成的供電事故的發生。
- 1
- 2
- 3
- 4
- 5
- 總5頁
http:m.x5a5.com/news/55783.htm


































