Acrel-6000剩余電流監測系統在山東中醫藥大學附屬醫院C院病房改造項目中的應用
徐霜
安科瑞電氣股份有限公司 上海嘉定
摘要 安科瑞剩余電流式電氣火災監控系統通過ARCM剩余電流式電氣火災監控裝置或數字型剩余電流互感器,對商場、賓館、機場、銀行、醫院、廠房等建筑低壓配電系統進行電氣火災監控。本文通過對山東中醫藥大學附屬醫院C院病房改造項目的介紹,重點闡述Acrel-6000電氣火災監控系統所實現的功能及其重要意義。
1.前言
山東中醫藥大學附屬醫院(原省立中醫院)坐落于泉城濟南,南依風景秀麗的千佛山,北鄰聞名遐爾的趵突泉,始建于 1955年,是一所集醫療、教學、科研、預防、保健、康復于一體的省級綜合性中醫醫院。

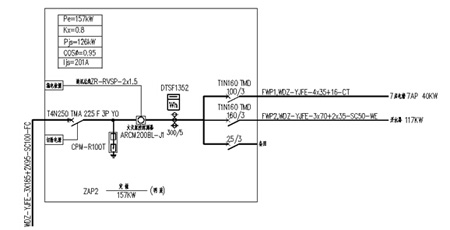
本項目針對山東中醫藥大學附屬醫院C院病房樓,該樓共13層。在每個樓層的強電間內均設有照明配電箱和應急照明配電箱,另外在頂部機房層設有電梯配電箱和空調室外機配電箱,如以上“配電干線系統圖”所示。
2.系統需求分析
本項目樓層為13層,若某層配電線路發生漏電,相關人員無法及時發現。而Acrel6000電氣火災監控系統應能準確監控電氣線路的故障和異常狀態,發現電氣火災的火災隱患,及時報警提醒相關人員消除這些隱患,防止電氣火災的發生。
3.參考標準
本系統符合中華人民共和國國家標準GB14287.1-2005《電氣火災監控系統 第1部分:電氣火災監控設備》。
4.系統結構
Acrel-6000電氣火災監控系統是本公司自主研發的用于接收剩余電流式電氣火災探測器等現場設備信號,以實現對被保護電氣線路的報警、監視、控制、管理的運行于計算機的工業級硬件/軟件系統。本系統應用于大型商場、生活小區、生產基礎、辦公大樓、商場酒店等區域的消防控制中心,對分散在建筑內的探測器進行遙測、遙調、遙控、遙信,方便實現監控與管理。本系統采用標準的Modbus現場總線將具有通信功能的探測器相互連接起來,當現場保護線路中的被探測參數超過報警設定值時,能發出報警信號、控制信號,能指示報警部位并保存報警信息。
山東中醫藥大學附屬醫院C院病房改造項目現場共有31只ARCM200BL-J1和3只ARCM200L-J8電氣火災探測器,分布于西區病房樓各樓層以及配電室內。現場電氣火災探測器采用總線方式,通過兩條485總線接入Acrel-6000壁掛式電氣火災監控系統。本系統具有安裝運輸方便、性價比高、維護方便等優點。
Acrel-6000電氣火災監控系統主要設備如下:
主控單元:
①工業級平板電腦,配有觸摸顯示屏,WinCE 操作系統
② 輸入輸出:內置公司開發的智能 DCMOD 模塊,具有多路輸入輸出
③ 聲光報警器:內置喇叭、LED 指示燈
④ 備用電源: 2 節 12V/7.2Ah 的免維護蓄電池
主機面板元件布置及功能說明
1:報警指示燈(紅色) :設備接收到探測器發出的報警信號時,報警指示燈常亮。
2:故障指示燈(黃色) :當本系統發生故障時(如通訊故障、電源故障等) ,故障指示燈常亮。
3:運行指示燈(綠色) :設備正常運行時,指示燈常亮。
4:主電源指示燈(綠色) :當主電源正常時,監控設備由主電源供電,此時主電指示燈常亮。
5:備用電源指示燈 (綠色) : 當主電源欠壓或故障時, 監控設備由備用電源供電, 此時備用電源指示燈常亮。
本系統分布采用計算機分布式網絡結構,如下圖所示:

1)站控管理層
站控管理層針對電氣火災監控系統的管理人員,是人機交互的直接窗口,也是系統的最上層部分。主要由系統軟件和必要的硬件設備,如工業級平板電腦、微型打印機、UPS電源等組成。監測系統軟件具有良好的人機交互界面,對現場各類數據信息計算、分析、處理,并以圖形、數顯、聲音、指示燈等方式反應現場運情況。
監控主機:用于數據采集、處理和數據轉發。為系統內或外部提供數據接口,進行系統管理、維護和分析工作。
打印機:系統召喚打印或自動打印圖形、報表、報警記錄等。
UPS:保證計算機監測系統的正常供電,在整個系統發生供電問題時,保證站控管理層設備的正常運行。
電氣火災監控系統主機設置于病房樓B1F消防控制室。
2)網絡通訊層
通訊介質:系統主要采用屏蔽雙絞線以RS485總線方式連接至消防控制室監控主機,實現現場設備與上位機的實時通訊。通訊線沿弱電橋架敷設,保證了通訊的質量。
- 1
- 2
- 總2頁
http:m.x5a5.com/news/55275.htm




