智能型電動機控制器在電廠中的應用
徐霜
(安科瑞電氣股份有限公司,上海 嘉定 201801)
摘要:傳統的低壓電動機保護是通過繼電保護二次回路實現,隨著電子技術的飛速發展,出現了一些對電路起全面保護的電動機控制器。根據電廠輔助控制設備的電機保護的特點及其控制要求,結合ARD3智能型電動機控制器在發電廠低壓電動機保護控制中的應用,綜合介紹ARD3智能型電動機控制器產品的特點及其智能化保護、測量、控制和通訊等,供工程設計中參考。
一、概述:
隨著科學技術的進步,我國發電廠電機設備的使用量逐步增多,促使電動機的正常運轉發揮成為了其他的設備能夠正常運轉的前提條件,因此能夠合理選擇和使用電動機控制器是對正常的工業現場生產工作負責的表現,只有在電動機正常發揮其功能的基礎上,才能夠保證整個行業的工作流程不會受到干擾,可以正常運行。在火力發電廠中,低壓電動機的控制原理和應用情況在火力發電廠中一直是一項技術難題[1,2]。
在電廠電機設備的保護設計中,低壓電動機的應用及保護配置可采用多種方案進行設計,對于過去采用熱繼電器、斷路器(或熔斷器)作為電動機過負荷保護、斷相保護、短路保護和控制元件,由于受到通信功能不夠靈活等多種條件的約束,已經無法滿足日益發展的電廠設備自動化生產的要求,而新型智能電動機控制器可實現重載起動,實現對電動機的溫度保護,還提供多種測控功能和多種電動機控制模式,能夠滿足對電動機的保護控制要求,有效地保障了電機的安全運行。本文以ARD3智能型電動機控制器在發電廠中的實際應用進行具體介紹。
二、電廠對電動機控制器的功能要求
在我國機電行業中,電動機是應用最為廣泛的,發電總量中消耗在電動機上的電量就占了很大一部分,而各類風機、水泵、空壓機又占電動機所耗電的一半以上。發電廠電動機的工作環境較惡劣,經常容易發生堵轉、短路、斷相或長期過載運行等故障[3],所以控制器要能夠對在惡劣環境中工作的電動機進行實時保護、控制,保證發電廠電動機的正常運行。
根據《火力發電廠廠用電設計技術規定》(DL/T 5153-2002),低壓廠用電動機應裝設相間短路保護、單相接地保護(或者單相接地短路保護)、過負荷保護、低電壓保護、斷相保護[4]。因此,電廠項目需要電壓、電流全電量參數測量,并且帶通訊功能,控制器需要有自診斷輸出、斷電輸出、故障記錄等功能,總結為如下功能:
1、實現完善的電機保護功能
控制器通過采集三相交流電流、三相交流電壓、剩余電流、PTC熱電阻阻值、電動機電能等電量參數,以及電動機運行過程中的各種運動狀態等信號,經控制器內部處理運算,從而實現對電動機起動超時、過載、阻塞、欠載、斷相、三相電流不平衡、剩余電流(接地/漏電)、溫度、外部故障、相序、過壓、欠壓、欠功率、過功率、tE時間等全面綜合保護,進而保證發電廠生產工作的安全連續運行[4]。
2、實現多種電動機控制方式
智能型電動機控制器通過程序控制,實現多種不同的電動機起動控制,采用控制器來實現的操作控制權限包括:1)RS-485通訊接口實現遠程控制;2)能夠通過顯示模塊上的按鍵進行操作控制;3)通過DCS系統控制DI端子實現遠程自動控制;4)DI端子現場就地控制。
3、實現現場實時監測電動機運行
電廠通過控制器能夠實時觀察現場電動機設備在運行過程中的電壓、電流、頻率等參數以及電動機當前的運行狀況,操作顯示模塊上的按鍵設置電廠電動機設備的起動方式(可選擇手步啟動、兩步啟動、雙速啟動和保護方式)。
4、實現通訊功能
控制器可通過RS-485通訊接口,經過Modbus-RTU或Profibus-DP通訊協議與上位機管理系統進行通訊連接,將信息在最短時間內發送給后臺管理系統并對故障信息發出報警信號,使操作人員能夠第一時間發現故障原因并及時排除故障,實現電廠電動機設備的數據的實時傳輸功能。
ARD3智能型電動機控制器采用模塊化的產品結構形式,包括主體控制模塊、互感器模塊和顯示模塊,并可根據工業現場的實際應用選配ARD3智能型電動機控制器的其他功能模塊和附件。通過采用ARD3智能型電動機控制器安裝在低壓開關柜,與轉換開關、接觸器、電動機起動器等電器元件構成電動機控制保護單元,實現了遠程自動控制、現場直接控制、液晶界面參數指示、信號報警、現場總線通信等功能,提高了整個控制回路的可靠性和穩定性的同時降低了操作人員現場調試和維護工作量。通過選配抗晃電模塊來實現電路的抗晃電和自起動,當ARD3智能型電動機控制器輔助電源斷電時,可以向控制器持續供電10s,同時,選配AC380V電源模塊,用于控制器使用AC380V作為輔助電源的場所。
三、 ARD3智能型電動機控制器在發電廠低壓電動機保護中的應用
隨著電廠DCS系統的大規模推廣應用,實現工業現場電動機的遠程實時集中監控已經成為實現工業自動化控制的關鍵點之一,圖1為ARD3智能型電動機控制器在電廠應用中的現場總線布局。ARD3智能型電動機控制器為用戶提供RS485(Modbus-RTU/Profibus-DP)通訊接口,可以采集工業現場的電動機的三相交流電壓、零序電流、熱電阻值、電動機電能以及狀態監控信息,并匯集到現場總線,操作人員可通過上位機實時監控工業現場的運行情況,實現運行人員操作界面的DCS遠程操控[5]。

圖1 ARD3智能型電動機控制器的現場總線布局
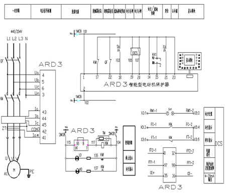
如圖2 ARD3智能型電動機控制器工程典型應用方案圖中所示,電路通電后,控制器采集轉換開關KK1信號,控制器通過讀取控制權限端口(14,15)的信號值選擇遠程控制或者就地控制電機起動。如圖2中接線所示,若控制器端口(15)采集到的信號為“1”,則遠程控制電機起動;若控制器端口(15)采集到的信號為“0”,則就地控制電機起動。控制器采集現場三相交流電壓、三相交流電流、零序電流、接觸器工作狀態、斷路器工作狀態以及DCS柜急停按鈕SA等電器元件的信號,通過控制器處理電路后經CPU進行運算、處理后,按照實際生產要求的各種保護性能、測量參數、控制邏輯、數據傳輸等要求,控制現場90L液晶顯示界面上電動機的運行狀態以及電廠電機設備控制回路中的一些重要電力參數的顯示值,以及控制開關量輸出的工作狀態,對電動機設備的起動方式以及運行過程進行控制保、護。控制器的模擬量輸出口(35,36)輸出4-20mA的模擬量信號,DCS系統讀取模擬量信號后判斷電機當前的運行狀態。同時,作為電動機控制器個體設備,實現就地保護是其基本功能。ARD3智能型電動機控制器能夠通過RS485通訊接口(25,26)將現場檢測的參數實時反饋至上位機,方便現場維護人員對各個點設備的運行狀況進行實時遠程監測、控制。
- 1
- 2
- 總2頁
http:m.x5a5.com/news/55228.htm

