智能型電動機控制器在某機場中的應用
徐霜
(安科瑞電氣股份有限公司,上海 嘉定 201801)
摘要:根據對某機場的實際情況的調研調試,找出了機場真空泵電動機經常發生損壞,線圈燒壞的原因,通過采用電動機保護器來對電動機進行有效保護。本文重點介紹安科瑞電氣有限公司ARD3T智能型電動機保護器,實現電動機智能化綜合保護,集測量、保護、控制以及通訊于一體,供工程設計中參考。
一、概述:
電動機作為當前應用最為廣泛的設備,同時也是其他機電設備的動力源泉,這也就使得電動機的正常工作成為了其驅動的機電設備正常運行的前提。而電動機保護器作為拖動系統中的一個重要組成部分,對電動機起著全面的保護、控制作用,實現對工業生產過程及其大型機械設備的遙信、遙測、遙調、遙控、故障診斷以及集中在線監測等功能[1,2]。如今,電動機保護器的可靠性、安全性在不斷提高,功能也更加完善,在多數用電領域都得到了廣泛應用,在節能和經濟事業中有著重要的地位和顯著的作用。
機場的真空泵電動機是機場的一項大型應用設備,進一步影響著機場的正常運作,因此,真空泵電動機的正常運行對于機場來說是至關重要的。機場屬于人流量大,需要全天連續不斷的運作,因而對真空泵電動機使用的可靠性和穩定性提出了極高的要求,一旦控制回路發生故障,必須馬上找出故障的原因并且及時排除故障,以保證機場工作的正常運作。
由于真空泵對其工作環境的要求很高,真空泵的排氣壓力過高時,都將導致電機過載,如沒有一定的過載保護,電機長時間工作在這種條件,很容易損壞。因此,作為其控制回路中的重要組成部分的真空泵電機如果經常發生故障,這也就給正常的生產活動帶來了嚴重的安全隱患。某機場采用ARD3T智能電動機保護器采集線路中的三相電流、漏電流、電壓、等參數實現對電動機的實時監控和保護、控制,同時實時采集到真空泵電機線圈和電機軸承溫度后,一旦溫度超過有效范圍則發出停機信號,來控制大功率真空泵的啟、停,并發出報警信號,從而實現對真空泵電機的保護。在低壓配電系統中使用ARD3T智能型電動機控制器,不但有效的降低了電動機的故障發生率,并且用戶可以通過顯示模塊實時觀察到電路中電流、電壓、功率等電力參數以及電動機的運行狀況,提高了設備運行的可靠性,減少非計劃停車次數,提高了控制回路的自動化、智能化水平,極大地降低了設備管理人員的勞動強度,又提高了管理人員的綜合素質。
二、某機場對真空泵電動機控制器的要求
該機場占地面積大,整個地形屬于狹長型。整個機場都需要遍布電動機控制系統,對象包括候機大樓、辦公區域、就餐區域、機場跑道等主要建筑物,因此,機場內使用的真空泵電動機,部分是需要連續運轉的,部分是需要在應對突發性情況時實現連續不停機的運轉的,一旦真空泵電動機開始工作,是不允許出現跳閘停車的現象的,尤其在應對突發性情況時,一旦跳閘停機,將可能造成嚴重的事故,給機場以及機場人員帶來巨大的經濟損失,而且容易造成人員的傷亡。
該機場采用ARD3T智能型電動機控制器的顯示模塊,能夠實時觀察真空泵電動機運行時的電壓、電流、頻率等參數以及電動機的運行狀況,同時,通過控制器的通訊功能將信息以最快的速度發送給后臺并對故障信息發出報警信號,使操作人員第一時間發現故障原因并及時排除故障。
因此,某機場對真空泵電動機控制器的要求如下:
1)保護功能:實現對電動機起動超時、過載、堵轉、斷相、不平衡、欠載、接地/漏電、阻塞、過壓、欠壓、繞組超溫等保護;
2)測溫功能:實現多路測溫,能接入PT100、PT1000、Cu50、PTC/NTC等傳感器;
3)顯示功能:通過分體液晶顯示模塊實時顯示電動機運行參數;
4)通訊功能:帶Modbus-RTU/Profibus-DP通訊接口,與上位機之間進行信息傳遞。
三、智能型電動機控制器的描述
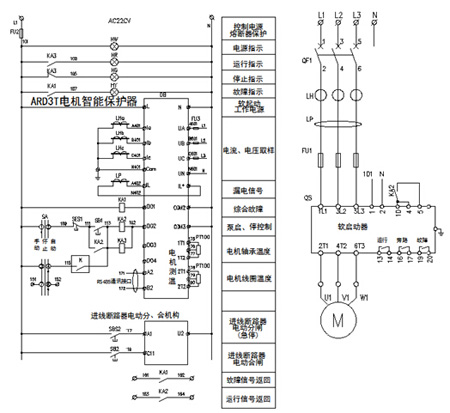
智能型電動機保護器是目前國內具有國際水平的馬達智能保護控制單元,在國內具有一定的代表性。ARD3T智能型電動機保護器可劃分為主體模塊、測量模塊、開關量模塊、模擬量模塊、溫度模塊、通訊模塊、顯示模塊等7個模塊,其中主體模塊和測量模塊是必備模塊,稱為基本模塊,附加模塊采用總線供電,不需要外接輔助電源。在低壓控制終端柜和1/4模數及以上各種抽屜柜中可直接安裝使用。

圖1 100A以下ARD3T產品組成框圖
基本模塊:ARD3T智能型電動機控制器可進行編程控制實現4路開關量輸入、輸出,實現電動機的起、停、調試等工作。電流測量范圍可達0.4A~800A,100A以下標配電流互感器(見圖1 100A以下ARD3T產品組成框圖),100A以上通過外接電流互感器實現電流的測量。
開關量模塊:可實現對主體模塊開關量的擴展,DI支持無源接點(弱電)或有源接點(強電)輸入,有源接點可選交流或直流供電。
模擬量模塊:該模塊將電路中交流電流、電壓、頻率等參數轉變成直流4-20mA信號,傳送給PLC或DCS系統,為PLC或DCS自控設計提供重要數據。
溫度模塊:可實現三路溫度測量,可選的傳感器類型:PT100、PT1000、Cu50、PTC/NTC。3路傳感器可以是同一類型,也可以是不同的類型。傳感器類型為:PT100、PT1000、Cu50時,顯示值、保護值單位為℃;傳感器類型為:PTC、NTC時,顯示值、保護值單位為Ω。
通訊模塊:帶Modbus-RTU通訊/Profibus-DP通訊功能,用于系統組網,實現自控或將保護數據實時傳送到計算機后臺實現對電動機進行在線集中監視管理。
- 1
- 2
- 總2頁
http:m.x5a5.com/news/55226.htm

