大功率UPS工頻機和高頻機性能對比
1 工頻機和高頻機的定義及原理分析
UPS通常分為工頻機和高頻機兩種。工頻機由晶閘管(SCR)整流器、IGBT逆變器、旁路和工頻隔離變壓器組成。因其整流器和變壓器工作頻率均為工頻50Hz,顧名思義叫工頻UPS。
典型的工頻UPS拓撲如圖1所示。
主路三相交流輸入經過換相電感接到由三個SCR橋臂組成的整流器之后變換成直流電壓。通過控制整流橋SCR的導通角來調節輸出直流電壓值。由于SCR屬于半控器件,控制系統只能控制開通點,一旦SCR導通之后,即使門極驅動撤消,也無法關斷,只有等到其電流為零之后才能自然關斷,所以其開通和關斷均是基于一個工頻周期,不存在高頻開通和關斷控制。
由于SCR整流器屬于降壓整流,所以直流母線電壓經逆變輸出的交流電壓比輸入電壓低,要使輸出相電壓能夠達到恒定的220V電壓,就必須在逆變輸出增加升壓隔離變壓器。同時,由于增加了隔離變壓器,系統輸出零線可以通過變壓器與逆變器隔離,明顯減少了逆變高頻諧波給輸出零線帶來的干擾。

圖1 典型工頻UPS拓撲
同時,工頻機的降壓整流方式使電池直掛母線成為可能。工頻機典型母線電壓通常在300~500V之間,可直接掛接三十幾節電池,不需要另加電池充電器。
按整流器晶閘管數量的不同,工頻機通常分為6脈波和12脈波兩種類型。6脈波指以6個晶閘管組成的全橋整流,由于有6個開關脈沖對6個晶閘管分別控制,所以叫6脈波整流。6脈波整流拓撲如圖2所示。

圖2 典型6脈波拓撲
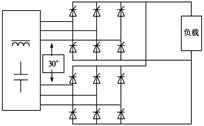
12脈波是指在原有6脈波整流的基礎上,在輸入端增加移相變壓器后再增加一組6脈波整流器,使直流母線由12個晶閘管整流完成,因此又稱為12脈波整流。
圖3所示的兩個三相整流電路就是通過變壓器的不同連接構成12相整流電路。

圖3 典型12脈波整流器示意圖
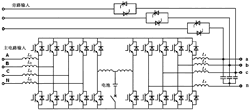
高頻機通常由IGBT高頻整流器、電池變換器、逆變器和旁路組成,IGBT可以通過控制加在其門極的驅動來控制IGBT的開通與關斷,IGBT整流器開關頻率通常在幾到幾十千赫之間,有時甚至高達上百千赫,相對于50Hz工頻, 稱之為高頻UPS。典型的高頻機拓撲如圖4所示。

圖4 高頻UPS拓撲圖
高頻UPS整流屬于升壓整流模式,其輸出直流母線的電壓一定比輸入線電壓的峰值高,一般典型值為800V左右,如果電池直接掛接母線,所需要的標配電池節數達到67節,這樣就給實際應用帶來很大的限制。因此一般高頻UPS會單獨配置一個電池變換器,在市電正常的時候,電池變換器把800V的母線電壓降壓到電池組電壓值;在市電故障或超限時,電池變換器則會把電池組電壓升壓到800V的母線電壓,從而實現電池的充放電管理。由于高頻機母線電壓為800V左右,所以逆變器輸出相電壓可以直接達到220V,逆變器之后就不需要升壓變壓器了,但是沒有隔離效果。
2 工頻機和高頻機的性能對比
隨著電力電子技術的發展和高頻功率器件不斷問世,中小功率段的UPS產品也逐步高頻化。高頻UPS具有功率密度大、體積小、重量輕的特點,但在高頻UPS功率段向中大功率過渡的過程中,高頻拓撲UPS在使用過程中暴露出一些固有缺點,并影響到UPS的安全使用和運行。
(1)零偏故障
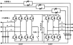
某型號大容量三相高頻UPS拓撲如圖5所示。

圖5 某型號四橋臂高頻機拓撲
從圖中可知,UPS主路輸入是三相四線(相線+零線),整流器為四橋臂變換器。A、B、C三相和零線均通過IGBT整流。此種變換器存在先天缺陷:零線在主路工作時不能斷開。當A、B、C三相閉合,零線斷開時,如果UPS輸出端接不平衡負載,零點參考點突然消失,會造成嚴重的UPS輸出零偏故障,進而導致UPS后端負載設備的損壞、輸出閃斷等重大故障。如果三個相線和零線同時中斷,這種情況往往會發生在市電和發電機切換過程,此種拓撲的高頻機因零線缺失而必須轉旁路工作,在特定工況下(電壓過零點,非同步切換時)可能造成負載閃斷的重大故障。而工頻機因整流器不需要零線參與工作,在零線斷開時,UPS可以保持正常供電。
(2)零地電壓抬升和電池架帶電問題
從圖4和圖5可以看到,大功率三相高頻機零線會引入整流器并做為正負母線的中性點,此種結構不可避免地造成整流器和逆變器高頻諧波耦合在零線上,抬升零地電壓,造成負載端零地電壓抬高,很難滿足IBM、HP等服務器廠家對零地電壓小于1V的場地需求。
某型號高頻UPS的電池變換器采用高頻Buck/Boost拓撲結構,變換器缺少必要的濾波裝置。因此充電電壓和電流耦合大量高頻分量,在現場實測數據如圖6所示。


圖6 用儀表測得的充電電壓和電流高頻分量
可以明顯看到頻率為12.5kHz的高頻分量,實測電池正極與大地浮置電壓有325V,斷開電池架接地,電池架與大地間有100多伏浮置電壓。接通電池架與大地,電池架與大地漏電流高達0.11A。按照行業標準(GB13870.1-93《電流通過人體的效應》),50mA的電流就可以致人死亡。該型號UPS在電池架未與大地短接時,人體觸摸到電池架有明顯被電擊的感覺。原因是充電回路中高頻分量通過人體與大地形成通路,造成人體觸電。同時,此高頻諧波嚴重干擾了外置的UPS電池單體電壓監控系統,使電池電壓監控測試儀無法正常工作。
(3)可靠性降低
自1947年首個晶體管問世,隨后不到十年,晶閘管整流器在晶體管漸趨成熟的基礎上問世,至今晶閘管已歷時半個多世紀的發展和革新,耐受高電壓、大電流晶閘管技術已非常成熟,其抗電流沖擊能力非常強。晶閘管是半控器件,不會出現直通、誤觸發等故障。相比而言,上世紀80年代初問世的IGBT(絕緣柵雙極晶體管)有許多優點,其開關頻率可在幾至幾百千赫之間,是目前高頻UPS主要功率器件。但是,IGBT有嚴格的電壓、電流工作區域,抗沖擊能力有限。在可靠性方面,IGBT一直比晶閘管差。根據大量的數據統計,采用晶閘管的整流器故障率遠遠低于IGBT整流器的故障率,前者大約為后者的1/4。
工頻機通常采用晶閘管整流器,而高頻機多采用IGBT整流器。因此,工頻機在可靠性方面優于高頻機。而大功率UPS可靠性是用戶關注的第一要素。目前市面上銷售的多款國際知名品牌工頻機產品在用戶端都有很好的口碑,并通過了長時間和復雜電網的實際驗證。
高頻大功率UPS還有諸多缺點,詳見表1。

表1 大功率工頻UPS和高頻UPS技術對比表
不可否認,高頻UPS有一些優點,但目前就技術發展和成熟度而言,大功率高頻機有許多缺點還需要進一步技術優化和升級。某些廠商推出的大功率高頻UPS仍在試用階段。依據“可靠性第一”原則,在重要場合使用大功率UPS,仍然以工頻機為首選!
