自動控制限流開關的設計與原理
2007/10/10 14:06:42 電源在線網
本文簡單介紹了自動控制限流開關的原理及設計,簡略概述了開關電路中的整流穩壓電路和控制電路的設計要點。
隨著中國經濟的飛速發展,各種用電設備日漸增多,許多送電線路不堪重負,時常引起故障乃至火災。為了保護些用電設備正常工作,需要定額限流設備。但是,現有的限流開關大多只能實現自動切斷電路而不能自動恢復供電。針對這個問題,我們設計了一種產品。本文介紹的限流開關克服了其他限流開關的部分缺點,是適合各種電路和用電設備的配套裝置。
電路的設計和原理
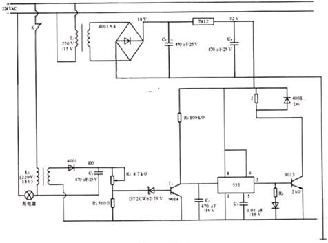
自動控制限流開關的設計,關鍵是在用戶電路過載時自動切斷控制,而當負載降低時自動限流開關開始作用,恢復供電。基于該種功能,此電路必須對用戶電路信號進行取樣,用取樣信號來控制電路的通斷,取樣功能可由一個互感器電路來實現,電路開關則由繼電器來實現。控制電路部分用兩個三極管和555型時基集成電路來實現,如圖1所示,因為555型時基集成電路在結構上由模擬電路和數字電路組合而成,將邏輯功能和模擬功能兼容為一體。同時,其輸入電平不一定是邏輯電平,也可以是模擬電路電平,而且,555型時基集成電路的最大輸出電流高達200mA,負載能力強,可以直接驅動小電機和繼電器等負載。

圖1 控制電路
繼電器和555型時基集成電路需要工作電壓,因此,開關電路中必須有整流穩壓電路,由此可見,這種開關電路大致分為整流穩壓電路和控制電路兩個部分。
(1) 整流穩壓電路
220V電壓通過L1變壓器得到15V交流電壓,再通過電橋整流,在C4上得到15V直流電壓,再通過7812的第一個引腳輸入,第二個引腳得到12V直流電壓,此電壓用于驅動繼電器的線圈,同時提供三極管的偏置電壓。
(2) 控制電路
· 555型時基電路
555型時基集成電路的引腳功能如下:
1是地線,2是觸發,3是輸出電平,4是復位,5是控制電壓,6是閥值電壓,7是放電,8是電源(VDD)。 555型時基電路的等效電路如圖2所示。

圖2 555的等效電路
·控制電路的工作原理
用戶正常用電時,互感器L2上有電流通過,這時,取樣電路D5、C1、R1、R2對電路進行取樣,因為用戶正常用電,取樣電壓就是R2上的電壓,不足以擊穿穩壓管D7,T1(9014集成塊)的基極為低電平,T2(9013集成塊)截止,555型時基集成電路的引腳2和引腳6的電壓均為12V,并且V2=V6≥23VDD=8V。由555型時基集成電路的工作原理可知,V3=0為低電平,T2(9013集成塊)截止,線包K中無電流,開關K1保持閉合,線路繼續供電。當用戶超額用電時,取樣電路使D7導通,從而使9014的基極電壓升高,使9014飽和,電容器C2通過9014放電,555型時基集成電路的引腳2、6電壓降低,當V2=V6≤13VDD=4V時,V3為高電平,9013導通,而繼電器J中有電流流過,繼電器J動作,觸點打開,線路中斷供電,這時,取樣電平變為0V,9014截止,C2充電,當V2=V6≥8V時,V3為0V,9013截止,繼電器J中無電流,K1閉合。如果這時用戶仍未移去超額負載,取樣電壓又使9014導通,C2放電,9013導通,K1斷開,電路斷開,控制電路對用戶電路進行檢測,直到用戶移去超額負載,電路才會開始正常供電,這樣,電路就實現了自動控制功能。
(3) 元件型號及參數
L1是電感器(220V15V),L2是電感器(220V18V),D1-D6是4001型二極管,D7是2CW62型穩壓管(25V),R1是4.7kΩ可變電阻器,R2是500Ω電阻器,R3是100kΩ電阻器,R4是2kΩ電阻器,C1、C4、C5為470μF25V電容器,C2是470μF16V電容器,C3是0.01μF16V電容器,7812是穩壓集成塊,T1為9014型,T2為9013型。
隨著中國經濟的飛速發展,各種用電設備日漸增多,許多送電線路不堪重負,時常引起故障乃至火災。為了保護些用電設備正常工作,需要定額限流設備。但是,現有的限流開關大多只能實現自動切斷電路而不能自動恢復供電。針對這個問題,我們設計了一種產品。本文介紹的限流開關克服了其他限流開關的部分缺點,是適合各種電路和用電設備的配套裝置。
電路的設計和原理
自動控制限流開關的設計,關鍵是在用戶電路過載時自動切斷控制,而當負載降低時自動限流開關開始作用,恢復供電。基于該種功能,此電路必須對用戶電路信號進行取樣,用取樣信號來控制電路的通斷,取樣功能可由一個互感器電路來實現,電路開關則由繼電器來實現。控制電路部分用兩個三極管和555型時基集成電路來實現,如圖1所示,因為555型時基集成電路在結構上由模擬電路和數字電路組合而成,將邏輯功能和模擬功能兼容為一體。同時,其輸入電平不一定是邏輯電平,也可以是模擬電路電平,而且,555型時基集成電路的最大輸出電流高達200mA,負載能力強,可以直接驅動小電機和繼電器等負載。

圖1 控制電路
繼電器和555型時基集成電路需要工作電壓,因此,開關電路中必須有整流穩壓電路,由此可見,這種開關電路大致分為整流穩壓電路和控制電路兩個部分。
(1) 整流穩壓電路
220V電壓通過L1變壓器得到15V交流電壓,再通過電橋整流,在C4上得到15V直流電壓,再通過7812的第一個引腳輸入,第二個引腳得到12V直流電壓,此電壓用于驅動繼電器的線圈,同時提供三極管的偏置電壓。
(2) 控制電路
· 555型時基電路
555型時基集成電路的引腳功能如下:
1是地線,2是觸發,3是輸出電平,4是復位,5是控制電壓,6是閥值電壓,7是放電,8是電源(VDD)。 555型時基電路的等效電路如圖2所示。

圖2 555的等效電路
·控制電路的工作原理
用戶正常用電時,互感器L2上有電流通過,這時,取樣電路D5、C1、R1、R2對電路進行取樣,因為用戶正常用電,取樣電壓就是R2上的電壓,不足以擊穿穩壓管D7,T1(9014集成塊)的基極為低電平,T2(9013集成塊)截止,555型時基集成電路的引腳2和引腳6的電壓均為12V,并且V2=V6≥23VDD=8V。由555型時基集成電路的工作原理可知,V3=0為低電平,T2(9013集成塊)截止,線包K中無電流,開關K1保持閉合,線路繼續供電。當用戶超額用電時,取樣電路使D7導通,從而使9014的基極電壓升高,使9014飽和,電容器C2通過9014放電,555型時基集成電路的引腳2、6電壓降低,當V2=V6≤13VDD=4V時,V3為高電平,9013導通,而繼電器J中有電流流過,繼電器J動作,觸點打開,線路中斷供電,這時,取樣電平變為0V,9014截止,C2充電,當V2=V6≥8V時,V3為0V,9013截止,繼電器J中無電流,K1閉合。如果這時用戶仍未移去超額負載,取樣電壓又使9014導通,C2放電,9013導通,K1斷開,電路斷開,控制電路對用戶電路進行檢測,直到用戶移去超額負載,電路才會開始正常供電,這樣,電路就實現了自動控制功能。
(3) 元件型號及參數
L1是電感器(220V15V),L2是電感器(220V18V),D1-D6是4001型二極管,D7是2CW62型穩壓管(25V),R1是4.7kΩ可變電阻器,R2是500Ω電阻器,R3是100kΩ電阻器,R4是2kΩ電阻器,C1、C4、C5為470μF25V電容器,C2是470μF16V電容器,C3是0.01μF16V電容器,7812是穩壓集成塊,T1為9014型,T2為9013型。
聲明:本信息內容的真實性未經電源在線網證實,僅供參考。 來源:電子查詢網
